L-36.com

Westerbeke Diesel W 13a Operator



Previous Page    Next Page
Go to page number
Note: Page number may not agree with index page numbers

PDF to Text.
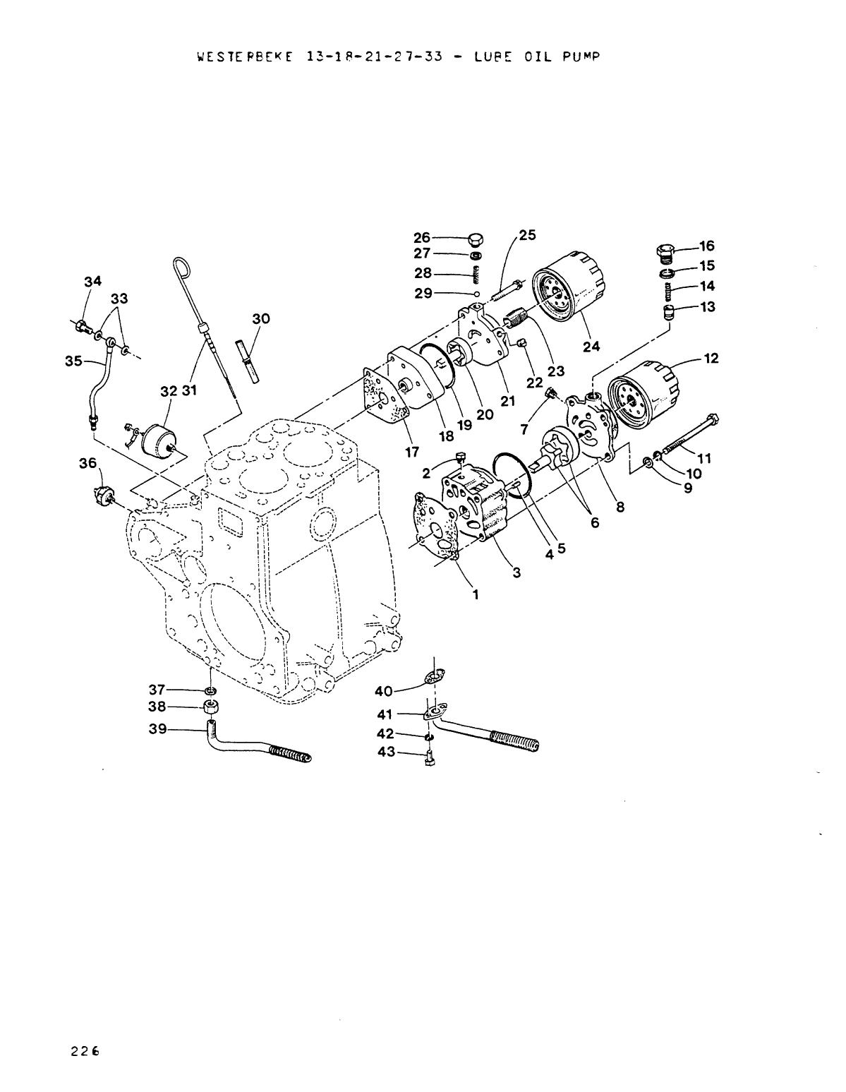
REF 11 12 13 1 15 16 21 22 23 2If 25 26 27 28 29 210 31 32 33 34 35 41 42 4 3 4 45 5 6 71 72 8 9 10 11 12 13 141 142 143 15 161 162 163 164 165 181 182 183 18If 19 21933 35008 35010 24935 24939 35014 24934 35009 35011 21f936 35012 24938 35013 2940 35015 3 3777 30722 33775 30124 30726 36728 30723 33116 30725 30727 30729 11592 32914 32550 13174 12169 15010 13758 20654 30760 32149 32 Dna 32009 32010 33093 3J041 32363 32461 36195 35383 33778 3374 3 410 WESTERBEKE 13212733 MISELLANEOUS NAME KIT A KIT A KIT A KIT A KIT A KIT A KIT B KIT B KIT B KIT B KIT B KIT B KIT B KIT B KIT B KIT B GASKET SET GASKET SET GASKET SET GASKET SET GASKET SET GASKET SET GASKET SET GASKET SET GASKET SET GASKET SET PUMP fI LT ER MUFF LER MUFF LER LINE STRA INER PA T SF LI TTER HARNESS FI LTER SWIT CH SWITCH SW IT CH KIT p1ANUAL MANU AL MANUAL MANUAL MANUAL KIT KIT NOTE REGULATOR REMARKS SPARE PARTSWI34KW SPARE PARTSW13ABC4KW SPARE SPARE SPARE PARTSW33125KW SPARE PARTSW33A SPARE PARTSEXTD CRUISINGW13IKW SPARE PARTSEXTD SPARE PARTSEXTD SPARE PARTSEXTD SPARE PARTSEXTD SPARE PARTSEXTD SPARE PARTSEXTD CRUISINGW27A SPARE PARTSEXTD SPARE PARTSEXTD CRUISINGW33A SPARE PARTSEXTD CRUISING6KW UPPERW1313A UPPERW18 UPPERW2121A UPPERW2127A UPPERW3333A COMPLETEW1313A COMPLETEW2121A COMPLETEW2727A COMPLETEW3333A HANDTO PUMP LUBE OIL FROM SUMP PR 1M AR Y FUEL HYDROHUSH WATER HYDROHUSH WATER LIFTSTAINLESS FLEXIBLE x 12 LG SE A WA TER REDAEROSOL SPRAY ALTERNATOR OUTPUT 15 FOOT PANEL EXTENSION REMOTE LUBE OILKIT GENERATOR GENERATOR GENERATOR FUEL HARDWARE TECHNICAL OPERATOR 771112 5KW OPERATORB T8KW GENERATOR SPARE PARTS344KW GENERATOR SPARE PARTS6125KW KIT INCL PRESSURE SWITCH BRUSHES FOR 1 SLIP ELECTRONIC VOLTAGE gKWBT QUAN 1 1 1 1 1 1 1 1 1 1 1 1 1 1 1 1 1 1 1 1 1 1 1 1 1 1 1 1 1 1 1 1 1 1 1 1 1 1 1 1 1 1 1 1 1 1 1 GENERATOR BELT UARD REF pt NAME REMA RKS QUAN II 33007 GUARD BELT 44KW 1 12 32929 GUARD BELT 677811KW 1 13 33050 BELT 125KW 1 14 34236 GUARD BELT BT8KW 1 2 33228 SC R w WI NG 1032 X 12 3 31 31849 LOCK WASHER 10 3 32 33372 WASHER FLAT 3 41 33063 BRACKET TOP 44617811KJ 1 42 33227 BRACKET TOP 125 KW 1 43 34606 BRACKET TOP 8T8KW 1 4If 33063 BRAe KET TOP BC44KW 1 45 333l0 BRACKET TOP BC6KW 1 71 33250 BRACKET LEFT 1f 225 4 KWBCIf 4KW 1 72 33227 BRACKET LEFT 7781IKW 1 73 33380 BRACKET LEFT 125KWBT8KW 1 7If 33226 BRACKET LEfT BC6KW 1 10I 33248 BRA KET RIGHT 1 102 33380 BRAC KET RIGHT 178BTBKW 1 10 3 33063 BRACKET RIGHT 11KlJ 1 10 33375 BRAC KET RIGHT 125KW 1 363 AdobeUCS7 3b2 WESTERBEKE GENERATOR BELT 3UARD 10 11 447711125KW GENERATIJR 3 WIRE 60 HERTZ REF PN NAME REMARKS QUAN 381 30800 HOLDER BRUSH44KW 6 382 30800 HOLDER 2 383 30801 HOLDER BRUSH71KWAC 6 384 308D1 HOLJER 12 391 30814 BRUSH 44KW 6 392 30808 BRUSH 7711125KWQ 2 393 30804 BRUSH 71KWAC 6 394 30804 BRUSH 11122675KWAC 12 42 30809 RECTIFIER 1 451 30806 CAPACITOR h4KW 2 452 30806 CAPACITOR 7711125KW 3 461 30839 BRUSH ASSY REF 365244KW 1 462 30820 BRUSH ASSY REF 3b5277KW 1 43 30811 BRUS H AS SY REF 365211125KWLH 1 464 30812 BRUSH ASSY REF 365211125KWRH 1 361 AdobeUCS 447711125KW GENERATOR 3 WIRE 60 HERTZ REF 11 12 13 2 3 1 5 eo 71 72 73 74 8 9 10 It 12 13 14 15 16 17 18 191 192 193 201 2612 203 211 212 213 221 222 223 231 232 233 261 262 263 271 2112 28 29 30 31 32 33 35 24759 24760 24761 3 EJ 115 31653 31770 31758 31553 30826 30825 30824 32526 30f122 24620 31165 31164 31607 24788 31847 31849 31876 31562 31758 30834 30821 30810 30835 30815 30830 30836 30B16 30831 30837 30817 30832 30838 30818 30833 30802 30819 30807 39813 39803 30841 30798 30199 30805 30823 roAME GENERATOR GENERATOR GENE RA TOR PLATE CA fS CREW LOCK WASHER LOCK WASHER CAPSCREW ARMA TURE ARMA TURE ARMA TURE ARM TURE BEARING ADAP TER WASHER LOCK WASHER CAPS CREW GUARD NUT LOCK WASHER SCREW CAPSCREW LOCK WASJItER HOUSING HOUSING HOUSING COIL COIL COIL COIL COIL COIL COIL COIL COIL COIL COIL COIL SHOE SHOE SHOE COVER COVER SCREw NUT LOCK WASHER WASHER FAN LOCK WASHER PIN REMARKS WIRE WIRE WIRE DR IVE DI SC 716NC X 34 1116 516 516 NC X 34 44KW 77KW 11125KW 32KW 56HZ GENERATOR TO HOUSIN3 3A 38NC X 112 1032 10 10 32 1 516NC X 234 516 WITH FIELD COIL ASSY44KW WITH FIELD COIL ASSY77KW WITH FIELD COIL ASSY11125KW FI EL D44KW FI ELD7 7KW FI EL D11125KW FI ELD44KW FI EL D7 7K W FI EL D11125KW FI ELD44KW FIELD17KW FI EL 011 12 5 KW FIELD44KW FI ELD71KW FIELD11125KW POLE44IW POLE77KW POLE11125KW GENERATOR END44KW GENERATOR ENOl711125KW lC24 X 38 HEX HEAD THREAD CUTTING 12NF JAM LOCKING 12EXTERNAL TOOTH 12 INTERNAL TOOTH BEARING LOCK QUAN 359 1 1 1 2 4 4 8 8 1 1 1 1 1 1 6 6 6 1 1 1 1 1 1 1 1 1 1 1 1 1 1 1 1 1 1 1 4 if255t 1 2 1 1 1 1 1 1 AdobeUCSX 3 R E R AdobeUCS fSTERfEKE 4 41111125KW GENERATOR 2 JR 4 WIRE 60 HERTZ F I AdobeUCSWESTER BEKE 447711125KW GENERATOR 2 OR WIPE 60 HERTZ REF PN NAME REMARKS QUAN II 30860 GENERATOR WIRE 1 12 30862 GENERATOR 77KW60HZ115 OR 115230VAC WIRE 1 13 30864 GENERATOR 11125KW60HZ115 OR 115230VACWIRE 1 14 33396 GENE RATOR 8KW60HZ115 OR 115230VAC WIRE 1 15 33289 GENERATOR 6KW60HZ115 OR 1151230VAC4 WIRE 1 2 30115 PLATE DRIVE DISC 2 3 31f53 CAPSCREW 716 NC X 34 It 31770 LOCI ASHER 716 5 31758 LOCK WAStiER 516 8 6 31553 CAPS CREW 516NC 3 8 71 31076 ARMA 4KW 60HZ 2 WIRE 1 72 33468 ARMA TURE 32KW 50HZ 2 WIRE 1 73 33829 ARMA TURE 6KW 66HZ 4 WIRE 1 74 31081 ARMA TURE 77KW 60HZ WIRE 1 75 33812 ARMA lURE 8KW 60HZ WIRE 1 76 31082 ARMA TURE 11125Kw 60HZ 4 1 71 35818 ARMA lURE 8394KW 50HZ 4 1 8 30e22 BEAR ING 1 CJ 24620 ADAPTER GENERATOR TO HOUSING 1 11 31164 LOCK WASHER 3 6 12 31607 CAPSCREW 38NC X 112 6 10 31765 WASHER 3fA 6 13 24786 1 lit 31847 NUl 1032 1 15 31849 LOCK WASHER Itt 1 16 31816 SCREW 1032 X 1 1 17 31562 CAPS CREw 516NC X 234 4 18 31158 LOCK WASHER 516 4 191 31075 HOUS ING FIELD COIL44KIJ 1 192 31073 HOUSING FI ELD CO IL7 7K oJ 1 193 3107 HOUSING FIELD COILl1125KJ 1 194 33834 HOUSING FIELD COIL6KW 1 353 447711125KW GENERATOR MOUNTING SYSTtM REF PN NAME REMARKS QUAN 1 24832 GENERATOR TO RAILRAR 2 2 31770 LOCK lASHER 116 4 3 31f55 CAPS CREW 716NC X 1 4 41 31711 CAPSCREW 12NC X 212 4417KW 2 42 31112 CAPSCREW 12 NC X 234 11125KW 2 5 31777 WASH ER FLAT 112 61 24776 ISOLATOR 44KlJ 2 62 21529 ISOLATOR 11KW 2 63 15238 ISOLATOR 11l25KW 2 7 24674 WA SH ER SNUBBING 4 8 31776 LOCK WASHER 12 4 CJ 31774 NUT 12NC 4 10 24701 RAIL 2 11 31555 CAPSCREW 516NC 1 16 121 24716 ISOLATOR 1f41711KW 2 122 21529 ISOLATOR 125KW 2 13 31158 LOCK WASHER 516 16 14 31156 NUT 516NC 16 15 31711 CAPSCREW 12NC X 212 2 16 31280 STUD M12 125 X 604AiW 2 17 24957 NUT M12 125 DIN 2 18 24992 MOUNT FRONT 42674KW 1 19 21833 MOUNT FRONT 7111125KW 1 2D 31223 CAPS CREW M14 X 15 X 30 UIN 3617711125KW 2 21 31797 LOCK WAStiER M147711125KW 2 22 24793 BRACKET PANEL MOUNT 7711125KW 1 23 31606 CAPS CREW 38NC X 114 2 24 19024 ISOLATOR PANEL MOUNT 7711125KW 1 25 31553 CAPSCREW 516NC 34 1 26 31150 NUT 14NC 8 27 31152 LOCK WASHER 14 8 28 24113 PANEL INSTRUMENT 1 29 30123 BRAC KET PA NEl MOUNT 44KW 2 3lt 31503 CAPS CREW 14NC 34 4 31 31152 LOCK WASHER 14 If 32 31750 NUT 14NC It 33 31553 CAPS CREW 516NC X 34 4 34 31158 lOCKWASHER 516 4 35 31756 NUT 516NC 4 36 24675 DRIP TRAY 1 37 32290 STRAP GR OUND HOUSING TO IL 1 38 32291 STRAP GROUND PANEL TO HOUSING 1 39 33514 PLATE ISOLATOR TO RAIL REINFORCER If 351 AdobeUCS350 447711125KW GENERATOR MOUNTING SYSTEM N N N AdobeUCS2 3 M 5 X 50 DIN 933 4 4 35937 TRANSFORMR VO L T M 4 AdobeUCS1 31 8 WESTERBEKE PT8KW GENERATOR A OUTPUT i 00 00 AdobeUCSX 1 5 X I 7 II r1 I rl III D r1 D 4 CD II Gr1 7 0 4 a a D n r1 Z o 3 a c z 4 H Z GI 1 4 rl E AdobeUCS1 1 5 X 5 X tJoI 54 53 52 II 11 fI4 OJ rt1 4 I QII GZ fI 4 o xI OJ n 11 Z C 3 o c Z 4 Z fI fI4 M 3 AdobeUCSI E 5 X 5 X 5 X 5 X M 5 X 5 X 5 X AdobeUCS S TE RBEK E 267E BCIf4KW BC6KW AC OUTPUT 31f 2 BC44KW BC6KW GENERATOR BACK END MOUNT REF PN NAME REMARKS QUAN 38 1 J262 LOCi WASHER M10 DIN 121 1 39 19039 DOWEL 2 40 35912 BA LL 1 411 35982 ARJIoATURE ASSEMBLY BC44KW 1 412 35910 ARMA TURE ASSEMBLY BC6KW 1 42 35969 FAN 1 43 31789 WASER MIO DIN 125 6 44 31915 LOCK WASHER MlO DIN 6797A 6 45 18813 CAPSCREIJ Mlilt X 20 DIN 933 6 46 31711 CAPSCREIJ 12NC X 2 12 2 47 31777 WASffER fLAT 12 4 481 35028 MOUNT FRONT BC4KIJ 2 82 33918 MOUNT FRONT BC6KW 2 4131792 LOCK WASHER M12 DIN 127 5C1 3183 CAPSCREw M12 X 125 X 30 DIN 961 BCq4KW 4502 32014CAPSCREw M12 X 125 X 30 JIS BC6KW 51 31555 CAPSCREW 516NC X 1 16 52 33530 SHIELD IS OLATOR 53 24716 ISOL ATOR 4541 35213 SPAC ER ISOLATOR TO RAIL BC44KW 4 542 3357 SPACER ISOLATOR TO RAIL BC6KW 4 55 24614 WASHER ISOLATOR SNUBBING 56 31176 LOC WASHER 12 57 31714 NUT 12NC 4 58 31158 LOCi WASH ER 516 16 59 31756 NUT 516NC 16 601 35453 RUAL ASSEMBLYLEFT BCIf KW 1 602 34592 RUAL ASSEMBL245LEFT BC6KJ 1 611 35454 RAIL ASSEMBLYRIGHT BC4KW 1 612 34591 RAIL ASSE MBLYR IGHT BC61 W 1 613 35041 RAIL BCIflfKW 2 614 34198 RAIL BC6KW 2 62 34593 STRAP GROUND 1 3 1 AdobeUCSII p fi3t Ie rl Crl CD 11 CD n p 225 p tC CD n I 7 t Gl z l o rn n z a 3 o c z AdobeUCSM 8 5 X AdobeUCSVI VI M 8 243 M M 0 I M Ii OJ n 225 Ii 0 n 0 G Z M 0 o 0 CD n M Z o x o c z AdobeUCST 1 M 5 X M 5 X AdobeUCS 53 6 8 7 318 a f1 J u CD r1 I VI I II I I J 225 11 0 3 o o XI AdobeUCSREF 1 2 3 4 5 6 1 8 911 11 12 13 14 15 16 17 18 19 20 21 22 23 24 251 252 26 21 28 2CJ 30 31 32 33 34 35 3fi 371 372 373 314 38 39 40 411 412 PN 30594 30625334 30251 30249 3025 30255 30690 3 C250 32015 30253 3028 30256 30703 30251 30258 30241 30382 3 0476 30234 31104 311B7 31786 18242 30252 31086 30596 1 e811 31186 30381 30595 30477 31200 31786 16789 13630 31186 3117 WESTERBEKE 1318212733 ALTERNATOR NAME AL TERNATOR NUT SET PULLEY FAN SPAC ER SCREW SET BPACKET STATOR BEARING PLATE SLINGER SCREW SET BOLT ROTOR BEARING TER1INAL SCREW INSULATOR STRAP STRAP RECTIFIER REGULA TOR BRUSH SPRI NG SPACER SPAC ER SHIM BR AC KET WASHER LOCK WASHER NUT CONDENSER NUT BOOT SPAC ER CAPS CREW LOCK WAStiER STRAP STRAP STRAP STRAP LOCi WASHER CAPS CREW CAPS CREW LOCK WASHER WASHER REMARKS QUAN 12 VOC 50 AMP 1 INCLUDES LOCKwASHER 1 ASSEMBLY WITH FAN BUSHING 1 INCLUDED IN REF 3 1 INCLUDED IN REF 3 1 BEARING RETAINING PLATE 1 FRONT ASSEMBLY INCLUDING BEARING REF 9 1 1 1 BEARING RETAINING INCLUDED IN REF 7 1 IN CLUDED IN REF 7 2 ALTERNATOR HOUSING 1 ALTERNATOR MOUNTING 1 ASSEMBLY INCLUDING 3EARING REF 15 1 1 SET INCLUDING 1118192032 1 INCLUDED IN REF 16 3 INCLUDED IN REF 16 1 INCLUDED IN REF 16 1 INCLUDED IN REF 16 1 ASSEMBLY 1 ASSEMBLY INCLUDING 3RUSH SET 1 2 PRUSH 2 ALTERNATOR MOUNTW1313A 1 ALTERNATCR MOUNTW33 1 ALTERNA10R MOUNT AR REAR ASSEMBLY INCLUDING REF 16212231 1 M8 DIN 125 1 M8 DIN 121 1 M8 DIN 934 1 1 INCLUDED IN REF 16 1 RUBBER 1 ALTERNATOR MOUNTW2127 1 M8 X 40 DIN 931 1 M8 DIN 127 1 ALTERNATOR 1 ALTERNATOR AOJUST1N5W2121 1 ALTERNATOR 1 ALTERNATOR ADJUST1N377KW SOUND GUARD 1 M8 DIN 127 1 M8 X 16 DIN 933 1 M8 X 25 DIN 933 1 M8 DIN 121 1 M8 DIN 125 1 335 AdobeUCS334 WESTERBEKE 1318212733 trO N AdobeUCSREF 11 12 2 3 4 5 61 62 7 8 91 92 93 94 95 101 102 11 121 122 13 14 15 16 17 18 191 192 193 194 20 21 22 231 232 233 234 24 25 26 27 28 PN 035016 036539 036192 037605 037603 037601 034485 035303 024731 024732 024947 024946 035114 035118 035825 031900 031902 031904 034653 036538 031999 034421 036695 023939 034574 013856 031866 031842 031843 031844 013320 013363 013938 031855 031837 031838 031839 015222 019122 019121 015223 024968 WESTERBEKE 80 BTD CONTROL PANEL NAME PANEL PANEL HOUR METER VOLTMETER METER METER PLATE COVER SWITCH SWITCH LAMP HOLDER LAMP HOLDER WIRE NUT LOCK WASHER NUT HARNESS HARNESS RING SCREW HARNESS BUSHING ASSEMBLY PLATE SCREW NUT WASHER LOCKWASHER BLOCK MARKER JUMPER SCREW NUT WASHER LOCK WASHER PLATE MARKER BLOCK JUMPER LABEL REMARKS GENSET CTL REF 213 TO 988 GENSET CTL FR 1088 STOP SWITCH IN BOX 12 VDC OIL PRESSURE 0100 PSI WATER TEMPERATURE PANEL BOXWHEN PANEL IS REMOTE MOUNTED STOP PREHEATSTART BASE LAMPBAYONET BASE BASE LAMPWEDGE BASE LAMP POWER CONNECTION 1032 10 1024 KEPS PANEL 35016 PANEL 36539 TOGGLE SWITCH MOUNTING LOCK 832 X 38 TRUSS HEAD BLACK SS ENGINE SNAPIN 134 IN HOLE BOX AND HARNESS SCREWTERMINAL BLOCK 832 X 78 BINDING HEAD SS 832 HEX SS FLAT 8 8 TERMINAL TERMINAL BLOCK TERMINAL BLOCK 632 X 58 BINDING HEAD SS 632 HEX SS FLAT 6 6 SCREWTERMINAL BLOCK TERMINAL BLOCK TERMINAL TERMINAL BLOCK GENSET OPERATING INSTRUCTIONS 333 REV 589 QUAN 1 1 1 1 1 1 1 1 1 2 3 3 3 3 3 AR AR 1 1 1 3 4 1 2 1 2 4 4 4 4 1 1 1 4 4 4 4 2 1 1 1 1 VI I9 4 6 3 11 1 4 1 0 CD 1 r 1 CD 4 r a n o Z 4 0 o ru Z 1 rAdobeUCSREF 1 2 3 4 5 243 7 8 9 10 11 12 13 14 15 16 17 18 19 20 WESTERBrKE BC44KW BC6Kw 6ENERATJR CONTROL PANEL 32340 3 3867 30147 24731 24732 3 0119 3 0913 2494 24941 3 5108 35109 35111 12892 3249 3511 35118 35825 30160 24968 31999 NAME PANEL PA N L CABLE SIJITCH SIJITCH COV R SCREW HOLDER LAMP ME T R METER VOLT ME TE R METER LABEL LAMP HOLDER WIRE CABLE LABEL RING RE RKS INSTRUMENT ASSEMBLY FACEPLATE PANEL TO ENGINE STOP ST ARTPR EHEAT PA NE L REAR COVER LA MPBAY ONET BASE BASE WATER TEMPERATURE OIL PRESSURE 0100 12VDC NEG GROUND HOUR SWITCH BASE LAMPWEDGE BASE POlifER TO LAMPS 15 FOOT PANEL EXTENSION GENERATOR OPERATING INSTRUCTIONS SWITCH 331 1 1 1 1 2 1 1 3 3 1 1 1 1 1 3 3 3 1 1 3 BC44KW GENERATOR CONTROL PANEL 330 GENERATOR CONTROL PANEL PEF PN NAME 1 24813 PANEL ASSEMBLY INCLUDING 30X 1 12 3 2340 PANE L IN ST RUM ASSEMBLY6KW 1 2 33861 PANEL FACEPLATE 1 3 30141 CABLE PA NEL TO E IjGI NE 1 4 23939 BUSH ING 134 HOLE 3 5 24794 BOX PA tE L 1 6 24195 COVER PANEL BOX 1 1 SCREW 832 X 38 RH SS If 81 24946 HOLDER LAMPBAYeNET BASE 3 82 35118 HOLDER LA MP WED SE BASE 3 835825 IRE LAMP POWER CONNECTION 3 oJ 91 24947 LAMP BASE 3 92 35114 LAMP BASE 3 10 35108 METER WATER TEtiPERATURE 1 11 35110 METER OIL PRESSURE 0100 PSI 1 12 SCREW 832 X 38 OVAL HD SS 13 35111 VOLTMETER 12 V DC 1 14 12892 METE R 1 15 24131 SW IT CH STOP 1 16 24732 SW IT CH STARTPREHEAT 2 17 32031 COVER PANEL 80X WHEN FACELATE REMOTE MOUNTED 1 18 32449 LABEL SWITCH IDENTIFICATIJN 1 19 30160 CABLE 15 FOOT PANEL EXTENS I ON 1 20 24869 DECAL GENERATOR OPERATING INSTRUCTIONS 1 211 33883 LABEL AC OUTPUT CONNECTIOIS 23 WIR E 1 212 33882 LABE L AC OUTPUT WIRE 1 GENERATOR CONTROL co It328 MARINE INSTRUMENT PANEL REF PN REMARKS QUAN II 33866 FANEL 1 12 2 if 880 PANEL INSTRUMENTNO PUSH 3UTTONSNLA 1 2 30913 SCREW 1 3 3011Q COVER PANEL REAR 1 14 24946 HOLDER LA BAY ONET BASE 4 5 24947 L BASE 4 6 35108 METER MIA TE R TE MPERA TURE 1 1 35110 01 L PRESSURE 0100 S I 1 a1 33865 PA N L PLATE 1 A2 24151 PANEL PLATENO PUSH BUTTO S 1 91 33693 SW ITCH KEY OFFON 1 92 24777 SWITCH KEY OFFCNSTARTPUSH TO PREHEAT 1 10 30003 NUT NYLON LOCKING 632 1 Ill 33684 COVER FACEPLATEPANEL WIn PUSH BUTTONS 1 112 24994 FACEPLATEPANEL PUSHB UTT ONS 1 12 30002 SPAC ER NYLON 1 24996 1 NJ OW KEYSWITCH COVER 1 14 30001 SC RE IJ NYLON 632 X 12 WAS HER HEAD 1 15 35111 VOLTMETER 12 VDC 1 16 33682 DECAL SW IT CH IDENTIFICATION 1 11 30148 CABLE PA NEL TO ENGPJE 1 18I 33764 SWITCH PUSH BUTTON 2 182 19031 CAP SW ITCH COVER REPLAC MENT 19 11917 fo1ETER TA CH OMET ERHOUR 1 20 35114 INSTRUME TWEDGE BA S 3 21 HOLDER LAMPWEDGE BASE 3 22 35243125 IJIR POER TO LAMPS 3 23 2 4999 DRAWING LA TE TO INSTALL PANEL 1 327 MARINE INSTRUMENT PANEL 17 326 1 M 6 AdobeUCSCJoI Iof 11 II rrI ITI XJ ro rrI ro I 225 IC CD f1 a CD I 00 a 11 r rrI 0 l r J I TI 3 AdobeUCS8 X M 8 AdobeUCSVI II34 19 11 10 II C4 2671 tI lJ fT1 1 CXl n I I 225 I 1 If lJ n f1 CD 4 ClI II rPJ r M n 4 0 n 1 C j 4 M 3 AdobeUCSREF 1 2 3 4 5 6 1 81 82 83 10 11 121 122 123 121 125 126 13 14 15 19 21 22 23 24 1 242 25 26 21 281 282 283 284 30 31 321 322 56 WESTERBEKE 447711125KW SYSTEM PN 12A92 35108 35110 24132 3 5111 24132 30147 31133 31135 30593 24683 24639 24353 2353 24353 3C221 30221 30221 24132 2341 3 5109 24813 3338 24831 1523 13723 1372 30096 11581 24131 2493 32122 24731 24132 3059 32923 33259 33258 24968 NAME METER METER METER SW IT Ctl VOLTMETER SW IT CH CABLE HARNESS HARJESS MOTOR BR EAI fR SOLE NO I 0 l OW PL UG GLOWPLUG iUhIPLUG i1iIRE IaiIRE WIRE SENDER SOLENOID SENOR PANEL SWITCH PUMP LED RESISTOR 0100 E SWITCH AMMETER SW ITCH fANEL PLATE SWIT CHI SIJ IT CH AL TERNATOR SWITCH SWITCH SOOT DECAL REMARKS HOUR lATER TEMPERATURE OIL PRESSURE 0100 PR EH4T 12 VDC START PANEL EN253INEIf 4KIJ ENGINE 67711KIJ ENGINE125KW STARTER CIRCUIT20 AIIP PREHEAT 44K Ir 71KW 11125KIJ GlOIJPLUG CONNECTING 1fKW GLOWPLUG CQNNECTtNG 77KI GLOWPlUG CONNECTING 11125KW OIL PRESSURE 0laG FUEL SHUTOFF TEMPERATURE COMPLETE OIL PRESSURENO ELECTRIC FUEL lIFT REMOTE CONTROL PANEL REMOTE CONTROL PANEL REMOTE CONTROL WATER TEMPERA TURENC 06ElEIONAL STOP REMOTE REMOTE CONTROL PANEL STOP PREHEAT START 50AMP NEG GROUND WITH REGULATOR rXHAUST TEMPERATURE EM ER GENC Y STO P EMERGENCY STOP SWITH OPERATIN5 INSTRUCTIONS QUAN 321 1 1 1 1 1 1 1 1 1 1 1 1 1 2 3 lJ 1 2 3 1 1 1 1 1 1 1 1 1 1 1 1 1 1 1 2 1 1 1 1 1 AdobeUCSSYSTEM WIRI NG DIAGRAM e w T e tl L o P L POIESVRE SWITCH e 1 SERIES I A TERNATOR IZVOIT OAU e Al TRNATOR 256 IV TO fRQ lUI WEN TYPICLLf DIfAW iHE iivtW CfCLES SiUOlLD NOi 30 sECONDS A SWIre IIVrN CONriOOlS S243NDEll CONNEClioN CONiACT WIT l3 MAY 2MAfE APe H IF SWITCHES Ale TO S rAeT Mutr PRE HA T SOL I I I 1 1 1 1 I 1 I l I l 1 I 1 1 I 1 I 1 1 1 I I I I I SCHEMATI C DIAGRAM L GcNERATOR OPERArIClN PRE NEAr JEPRESS PREI243r SWlrCH ROM 5 rOGO srlRr BeTH PREHIAr 1110 sTART I SO LrN 011 PKESG frAnS SWlrCN ONLY NG SIlIrCH cORAo UNI OIL PJ1ESSUIPe 20 PSI5TOP ptPIlSS STOP SWITCH 4N0l7iE STOPS y I I 1 1 I I I I 1 1 1 I I I I I I I I I I I I I R243AOTC CONTROL mE 01PJ200ISUI TO NEIlIy eutIHD Ie AISWlrHfS I1QVVTED AT TIE 256 IEoe JIJPE200 CONTRE243 256 PPLY IASTIC 01 0110 243tECrPICAI 0PG AIiOJNO CONCcrOiS CAuTION PROTECTED tJY MAIVUAL E200I TO THt SOuCL 0CIIfENT AJ POSlal243 INSUVENT PANEl rE TO Po IN ItS eVtfNT wI f245lIl THWIIiING AN TO p243VENr rONIiACI BerWEeN EI243CTCA AND 51llr WATtEe 320 jMpsr STTE SOLENOOS R vI TJ245c OtiAt243 OROI JHfS cOQcro SrANCAAO STAllr sWlrC TO ANY EMOTE AOID i4CK CON OUC roRS Tllc A MAY AODED TO CONTOI TNE ST4 ITSELf A r7 IllHI 1 267126781 Will LIS IIIn 1IsWJ crMr oS G JI I 225225 z iiS AdobeUCSM B X AdobeUCSVI 011 19 r fY1 CJ4 M 0 m M r1 VI l l I I I I VI VI fTI r M n t 0 n l r Ien t M 3 AdobeUCSREF 1 2 3 4 5 b 7 81 82 83 8 9 10 11 121 122 123 12If 125 126 13 15 25 26 27 28 29 36 31 32 33 34 35 PM 11917 351 fJ8 35110 337 35111 3 3f 93 30148 30732 30733 30733 31126 30593 24683 24f39 24353 24353 24353 3 C221 330221 24132 3 09 2 Q 654 11581 24831 30125 34161 13355 24111 33866 33685 30594 33164 WESTERBEKE 13212733 ELECTRIAL SYSTEM NAIME METER SWITCH VOLTMETER SWITCH CABLE fARNESS HARNESS HARNESS HARNESS BREAKER SOLE NOlO flOW PLUG GLOW PLUG flOIJ PLUG WIRE WIRE WIPE SEND ER SENDER SPLITTER AMME TER PUMP SIJ IT CH SWITCH ALARM KEYSITCH PANEL PANEL ALTERNATOR SW IT CH TA CH OMET ERHOUR WATER OIL PRESSURE 0100 PUSH PREHEAT 12 VDC KEY OFFeN FA tE L ENINEW13 EN GI NE1I21 ENGINEW27 ST AR TER CIRCUIT20 AMP PR EHEAT J13 W21 W2733 GLOWPlUG CONNECTIONW13 GLCWPLUG CONNECTINGW21 GLOWPLUG ell PRESSURE 0100 wA TE R TE PPERA TURE ALTERNATOR OUTPUTOPTIONAL 060tOPTIONAl ELECTRIC FUEL LIFoT ALARM WATER TEMPERATURENO OIL BUZZER OFFONSTARTPUSH PREHEAT PLATE FOR PUSH BUTTON SWITCHES 50AMP NEG GROUND WITH REGULATOR PUSH BUTTON START QUAN 317 1 1 1 1 1 1 1 1 1 1 1 1 1 1 2 3 4 1 2 3 1 1 1 1 1 1 1 1 1 1 1 1 1 13212733 ELECTRICAL SySTEM OP SENDER JOT USED WI RI NG DIAGRAM HE NOTtM e W 5ENOrR l lL rERNATOR 256 u7CIf MUsr IN 1 24311243 TO OfSCONNtC1 rN243 SrAprelr 0 rHS BTIiIPY N EN IEAOHG Ife r 12 vOlr J1ifSLIJ rqreps DE 200 TO 200 ftII1E C NIfNi rN243 110 OF CrC243GJ SNQUID NOr tXCCEO 0 SICONOS A SWITC tNri 0110115 1EIiIC 17 VlC WILl IIOIIMUI SEIPVE HESE SJCH A SWIIC MuST JVevltJr Ie uSlD 10 110243 TN243 CIJCI NOES SENDeli CONNeCTION COAC WI B MAY OAAE 5END243R AI CTIIRfI I1E rNROuC ALTERNATOR r SPlITTER ir OPTONAC 0 0 fAVICf eTAY iJOPlIONI AMMETER PREHEAT SOL FO WIIINt OF AIXIIIjOY ALr243IlIVAiOS SEE FOLIONIVG MorolloL 1112MOrOROLA 120 AMP tli3 I 3 P 0514MP IF SWlrCH2435 AR243 70s rAei 80Ar cCLiSORES A tfose MUsr PUN FROM THE OIL TO AN LL SWlfCNGI 1OUNiFD AT rtiE ati243AO 256 APPLy SILsrIC 01 Hr WOfliO CONII243cros CONNECr243t CAuTION TtlIS PRODuCTS PRor243crED M tlAL RESEr eJ243 10C NEjO rlE srllotrr NO 05 LOJE TO rHtf SOC243 0CueNr AJ POSSIIJLE ANYNNE IN iNE INsrVMIIVr Wllu267n Oof WI4 tAVSG rIVE eEftl r P N j cI243Nr MaRt247 225 DI CONNEC iH II Ei SIPPL qWNER MIsr BslpE rO4r rls NJrIllMEIVr Nt AND 243NaIN243 ro CONrCr AND SAT WArEJ2 316 SCHEMATIC DIAGRAM I Z VO eTTp ANL AMBLY IIIWI 00 0CD I I CI I SHIFT CONNECTION ON HBW REF PN NAME REMARKS QUAN 1 30156 NUT PILLARM8 2 2 30181 BRACKET SHIFT CABLETOP ENn YHBW GEAR 1 3 31186 LOCK 8 DIN 127 2 413630 CAPS CREW M8 X 25 DIN 933 2 5 31841 NUT 1032 2 6 31849 LOCI IrJASIiTR 10 2 7 13810 SHIM CABLE CLAMP 1 8 13325 CLAMP CABLE 1 9 31873 SCREW 1032 X 2 10 33482 BALL JOINT 1 11 31152 LOCK WASHER 14 1 12 31754 NUT l4NF 1 13 3 2161 PRACKET SHIFT CABLEREAR ENTRYHBW GEAP 1 315 SH 1FT CONNE CTION ON HBW 314 AdobeUCS0875 RWHBWS1000BORE 10 BWHBWS1000BORE 1125 BWHBkSlOOOBORE 125 BWHBWSI000BORE BWHBWS100DBORE 15 HBW VDRIVEBORE 075 HBW VDRIVEBORE 0375 HBW VDRIVEBORE 10 HBW VDRIVEBORE HBW VDRIVEBORE HBl VDRIVEBORE 1375 HBW VDRIVEBORE 15 38NC X 118 MID X 20 DIN Qi3HBJ VDRIVE 31 p FLAT 38 MID DIN 137BHBw VJRIVE 38NC COUPLING 7J16NC X 1 X 3 X 1 13212733 TRANSMISSION COUPLfNG SHIFT M 312 AdobeUCSM 8 X AdobeUCSo 57 17 11 14 o 0 15 1 fTt en t rl 0 CD f91 0273 IJ I IJ I JI JI CD n PI Z o 3 o c Z t 14 Z ien 4 3 AdobeUCSD I AdobeUCSJI o oa 57 184 20 11 14 121a 16 M I fT1 0 IJ M M JI I OCt I f I I I I I JI JI I CD I n z 0 3 0 c z f Z CiI If M 3 13212133 BACK END MOUNTING SYSTEM REF PN NAME REMA RKS QUAN 30 1 24315 MOUNT FRONTW13 1 302 31493 MOUNT FRONTW212733 1 303 321243MOUNT FR ONT CE tt TERNO SADJLEW212733 1 3a4 32110 MOUNT FR ON TRD 60RD 80 1 31 31197 LOCK WASHER P14W212133 2 321 31223 CAPSCREW M14 X 15 X 30 DIN 961W212733 2 322 24957 NUT X 125 DIN 2 323 31280 STUD M12 X 125 X 60W13 2 33 31762 NUT 38NC 2 34 31764 LOCI WASHER 38 2 35 31765 WASHER FLAT 313 1 36 3 1274 CAPSCREW 38NC X 2 FULLY THRE ADED FOR BATTERY GNO 1 311 34405 ISOLATOR 1 372 32013 ISOL ATOR FRONTW2133R080 1 381 31826 NUT 58NFJAM 9 382 3 LOCI WASHER 3 39 31317 DOWEL TUBULARBW3 2 40 31340 MOUNT REARRDbORoao 1 41 31607 CAPS CREW 38NC 080 4 2 31R28 WASHER fLAT 58 307 13212733 BACK END MOUNTING SYSTEM 306 AdobeUCSF L X 1 13212133 BACK END MARINE MOUNTING SySTEM WESTERBEKE 1318212133 FUEL INJECTOR REF PN NAME REMARKS QUAN 1 30538 INJE CTOR ASSEMBLY 1 2 16988 BOLT BA NJO M8 1 3 30684 BODY 1 4 30629 FLANGE 1 51 3 QE21 SHIM 1 30MM AR 52 30622 SHIM 1 35M 4R 53 30623 SHIM 1 40MM 4R 54 30624 SHI O90M AR 55 30625 SHIM 100PlM AR 56 30626 SHIM 110MM AR 51 3Cl627 SHIM 120MM AR 58 30628 SHIM O10MM AR 6 30598 SPRI PRESSURE 1 1 30597 PIN PRESSURE 1 8 30599 SPAC ER 1 9 3 Q297 NOZZ LE ASSEMBL Y 1 10 30630 NUT RETAINING 1 303 1318212733 FUEL 2 3 4 5 6 1 7 8 9 302 BC6K W BT8KW FUE L SYSTEM REF PN NAME REMARKS QUAN 38 18804 CAPSCREW M6 X 20 DIN 933 2 39 30315 CLAMP FUEL LINE 2 40 30316 CLAM P FUEL LINE 2 41 30569 LINE INE CTOR LEAKOFF 1 42 16988 BOLT BANJO M8 3 43 30289 WASHER SA NJO M8 6 44 30538 INJE C TOR FUEL 3 45 30193 GA SI ET INJECTOR 3 H 30571 LI N INJECTOR 1 1 47 30512 LINE INJECTOR 2 1 48 30573 LIN INJECTOR 3 1 50 11196 CAPS CREW M8 X 20 DIN 933 4 51 30549 PUMP FUEL INJECTIOf 1 521 30560 SHIM 02MM AR 522 30561 SHIM O3MM AR 523 30562 SHIM O4MM AR 524 3 0563 SHPI Q5MM AR 525 30564 SHIM O6MM AR 526 30565 SHI n7MM AR 521 30566 SHIM o RMM AR 528 3 0567 SHIM O9MM AR 529 3 fJ568 SHIM 10MM AR 53 33093 KIT FUEL HARDWARE 1 301 C6KW 8T WESTERBEKE B SV STEM 300 AdobeUCSWEST ERBEKE BC6KW BT8KW FUEL SYSTEM REF PN NAME QUAN 1 34235 BRAC KET LIFT PUMP AND 1 2 2831 PUMP FUEL L IF T WITH FILER 12VDC 1 3 31153 WASHER FLAT 1 2 4 31752 LOCi wASHER 114 2 5 31506 CAPSCREW 14NC 114 2 6 30518 FILTER LIFT PUMP INCL GASKE T 1 7 33192 MAGNET LIFT PUMP 1 8 GASI ET LIFT PUMPSEE REF 243 1 9 15289 ADAP TER INCLUDED WITH HOSE 1 10 30025 HOS243 FUEL SUPPLY 18NPT 1 11 13340 ELBOW 11 RN PT STREET 1 12 22513 ELBOW I1PNPT TO HOSE 1 13 34614 HOSE LIFT PUMP TO FUEL FI L TER INCL REF 12 1 14 2 959 CAPS CREW M12 X 125 X 25 DIN 961 2 15 31792 LOCK wASHER M12 DIN 127 2 1631420 FILTER TO INJECTION PUMP 1 17 24972 WA SHER M14 ALUMINUM 2 IS 24984 BOLT BANJO 2 19 30291 wA SH ER BANJO M1 4 2Cl 321l6 KIT ORI NG 1 21 3Cl200 ELE ENT FUEL FILTER I NCL OR INGS 1 22 30199 CUP FUEL F IL TER 1 23 30212 RETA INER FUEL FILTER CUP 1 24 31560 CAPSCREW 516NC X 214 2 25 31758 LOCK WASHER 516 2 26 31159 WASHER FLAT 516 2 27 30213 SCREW FUEL FItTER BLEED 1 28 30289 wASHER FUEL FILTER BLEED 1 291 30210 FILTER FUEL 1 292 30211 HEAFUEL FILTER 1 30 30291 WASHER BANJO M14 2 31 24972 WASHER M14 ALUMINUM 1 32 24q16 BOLT BANJO 1 33 30289 WASHER BANJO MB 2 34 16988 BOLT BA NJO Me 1 35 34610 LIN INJECTOR LEAKOFF TO PUMP 1 36 34857 HOSE FUEL RETURN 1 371 24600 UNION COMPRESS ION I NCL NUT SAND FER RULES 1 372 13344 NUT 2 373 13343 FERRULE 2 299 AdobeUCSWE STERBE KE BC6KIJ BTAKW FUE L SV STEM 299 6 X 6 X 7 A 8 X M 8 AdobeUCS I AdobeUCSCUP RETAINER LINE LINE LINE YASHER WASHER BOLT BOLT WASHER BOLT LINE LINE UNION FERRULE NUT LINE LrN CLAMP CL AP REMARKS FUEL LIFT 12VDC M 6 DIN 127 M 6 X M 8 M 6 AdobeUCS 7 AdobeUCSF I L 6 X M 6 AdobeUCS1 53l 52 47 42 292 WESTERBEKE 13A BC44KW FUEL 13 15 27 7 AdobeUCSLINE LINE REMARKS M 6 X 3t 933 M 6 DIN 127 M 6 M 8 AdobeUCS1 531 47 296 42 lJESTERBEKE 13A BC44KW FUL SYSTE 13 15 7 55 24 25 27 15 D I 17 AdobeUCS1 AdobeUCS1 2 AdobeUCS1 AdobeUCS212133 FUEL SVSTEu 1 2 AdobeUCSWE S TE RBE KE 13 FUEL SYSTEM REF PN NA ME REMARKS QUAN 36 30365 LINf INJECTOR 1 1 37 30366 LINE INJECTOR 2 1 38 3 CLAMP FUEL LINE 1 39 31195 ISOLATOR FUEL LINE 1 40 30315 CLAMP FUEL LINE 1 41 13590 CAPS CREW M6 X 3a DIN 933 1 42 30193 tASK ET IN JE CT OR 2 43 30538 INJECTOR FUEL 2 441 24600 UNION COMPRESSION I NCL NUTS AND FERRULES 1 442 13343 FERRULE 2 443 13344 NUT 2 45 30289 WASH ER BANJO M8 46 16988 BOLT BA NJO MS 2 47 30367 LINE INJECTOR LEAKOFF 1 48 18811 CAPS CREW M8 X 40 4 49 31786 LOCK WASHER M8 DIN 127 4 50 23382 SPAC ER 1 51 3JOIO BR AC KET FUEL FILTER ANO LIFT PUMP MOUNT 1 52 19262 LOCK WASHER 0 OIN 127 1 53 24953 CAPS CREW M10 X 125 X 35 1 54 31154 NUT 14NF 2 55 31752 LOCI WASHER 14 2 56 31153 WASHER 14 FLAT 2 57 31531 CAPS CREW 14NF X 114 2 58 ISOLATOR fUEL LIFT PUMP MOUNT 2 59 33093 KIT FUEL HARDWARE 1 285 AdobeUCSIXI 29 11 I I 26 e 10917 C M rI4 fTI ctI p 14 C p rU U4 1 1 AdobeUCSWE STERBE KE 13 FUEL SYSTM REF PN NAME QUAN 1 15289 ADAP TER 2 2 30025 HOSE FUEL SUPPLY 1 3 13340 ELBOJ IfANPT STREET 1 41 13329 ELBOW INCL NUT FERRULE30C12 LINE 1 42 16676 NUT 1 43 11597 FERRULE 1 44 22513 ELBOW HOSE 34741 1 51 24831 PUMP ELECTRICAL FUEL LIFT WITH FILTER 1 52 33191 GA SI ET LIFT PUMPABOVE 1 30548 ELEMENT LIFT PUMF FILTER WITH GASKET 1 7 33192 MAGJET LIFT PUMP COVER 1 8 GASK ET LIFT PUMP COVERSEE REF 6 1 9 21f984 BOLT BANJO 2 In 24972 WASHER M14 ALUMINUM 2 11 30291 WASHER BANJO M14 4 121 30210 FILTER FUEL 1 122 30211 HEAD FUEL FIL TER 1 131 32406 0RI ttG KIT INCL REF 1314 1 132 ORI NG FUEL F IL TER CUP 1 14 ORI NG FUEL FILTER 1 15 302QO ELEMENT FUEL FIL TER INCL 1 16 30212 RETA INER FUEL FILTER CUP 1 17 30199 CUP FUEL FIL TER 1 18 30289 GASKET FUEL FILTER BLEED 1 19 30213 SCREW FUEL FILTER BLEED 1 201 30072 LINE LIFT PUMP TO FILTERUSE 34141 HOSE 1 202 34141 HOSE LIFT PUMP TO FILTER INCL ELBOW 1 21 31159 WASHER 516 FLAT 2 22 31758 LOClWASIiER 516 2 23 31756 NUT 516NC 2 24 31560 CAPSCREII 516 NC 214 2 25 30074 LINE FILTER TO INJECTION PUMP 1 26 17196 M8 20 DIN 933 4 27 31283 PUMP FUEL INJECTION 1 28I 30310 SHIM AD JUSTING 02 MM AR 28 30311 SHIM ADJUSTING 03MM AR 283 3 SHIM ADJUSTING O4MM AR 29 31301 SHIM ADJUSTING O5MM AR 285 31302 SHIH ADJUSTING 06MM AR 286 31303 SHIM ADJUSTING O1MM AR 281 30313 SHIH ADJUSTING 08MM AR 28B 31304 SHIM ADJUSTING 09MM AR 289 30314 SHIM ADJUSTING 10MM AR 29 34857 HOSE FUEL RETURN 1 30 30289 WASHER BA NJO M8 2 31 16988 BOLT BA NJO M8 1 32 24916 BOLT BANJO 1 33 24912 WASHER ALUMINUM M14 1 34 30291 WA SHER BA NJO M14 1 35 30076 LINE INJECTOR LEAKOFf TO PUMP 1 283 AdobeUCSII I 26 c IrrI n m fT M I C fT rI en of I 3 4477B1112 5KW FUEL SlLENOID REf PN NAME REMARKS QUAN 1 31526 CAPSCREW 14NF X 12 1 2 31152 LOCK WASHER 14 1 3 15232 BALL JOINT 90 DEGREE 1 4 15534 NUT 14NF JAM 1 5 15225 BALL JOINT 1 6 31189 BRACKET FUEL SHUTOFF 1 1 33258 BOOT EMERGENCY STOP SWITH 1 8 31847 NUT 1032 7111125KW 2 33251 LABEL EMERGENCY STOP SWITH 1 10 33259 SWITCH EMERGENCY STOP 1 11 31849 LOCK WASHER 10 2 12 31872 SCREW 1032 X 12 2 13 23041 SOLENOID FUEL SHUTOFF 1 IIf 19J19 CLAMP FUEL SHUTOFF SOLENO I DIf4 KW 1 15 BOOT FUEL SOLENOID 1 16 2 31f 16 ROD THREADED44KW 1 11 31754 NUT 14NF44KW 1 18 31711 lASHER 124 4K W 1 19 31726 CAPS CREW 12NF X 1244KW 1 20 21722 SPAC ER BRACKET 2 21 3 Elll53 STANDOFF 1I4NF X 7844KW 1 22 35025 BRAC KET FUEL SHUTOFF SOLENBC44KW 1 23 31159 WASHER FLAT 516 2 24 31158 LOCK WASHER 516 2 25 31553 CAPS CREW 516NC X 34 2 26 34179 BALL JOINT 1 27 31531 CAPS CREW IJ4NF X 114 1 28 31155 NUT 14NF JAM 1 50 NOTE REFER TO WIRING PAGE FOR BC6 AND BTBKW SOLENOID ARRANGEMENT 281 AdobeUCS5 tr 12 11 r 5 13 7 3 l I I J Il I I tL 11 l 11 S 1 AdobeUCSREF 1 2 31 32 4 5 6 7 8 9 10 II 12 13 14 15 161 162 17 181 182 191 192 193 20 21 221 222 223 224 19364 30169 30051 30 C51 24R45 30037 31849 31847 13870 13325 31B73 30054 21122 33214 33052 31783 13591J 1 eSa4 31786 31812 18812 32490 32487 32491 33051 11196 WESTERBEKE 13212733 IDLE STOo ASSEMBLY NAME BALL JOI NT IDLE STOP NUT NUT BRACKET BRACKET LOC WASHER NUT SHIll CLAMP SCREW STANDOFF SPACER COVER SPACER LOCK WASHER CAPSCREW CAPS CREW LOCWASHER CAPS CREW CAPS CREW BRACKET BRACKET BRACKET PI VOT COTTER PIN NOTE REMARKS THROTTLE CABLE ASSEMBLY 12NF BR ASSWI3 12NF BRASSW212733 THROTTLE CABLEW212733 IDLE STOPW212733 10 1032 THRO TTLE CABLE 1032 X 5P 1032 X 12W13 BRACKET MOUNTINGW33 TIE ROD STOP ASSEMBLY M6 DIN 127 M6 X 30 DIN 933 M6 X 20 DIN 933 M8 0 IN12 7 M8 X 65 DIN 931W2127 M8 X 70 DIN 931W33 THROTTLE STOP CABLESW21 THROTTLE STOP THROTTLE STOP CABLESW33 STOP CABLE REF 1321 REPLACED rOLE STOP ASSEMBLY W21 FROM SIN 16231 W21 FROM SIN 10869 W33 FROM SIN 5410 QUAN 279 1 1 1 2 1 1 1 1 1 1 2 1 1 1 1 4 2 2 1 1 1 1 1 1 1 AdobeUCSIN 27 P 3 IDLE 1321273 ST 1 o AdobeUCSI N 3 3 AdobeUCS276 WESTER BEKE 13 REF PN NAME REMARKS QUAN 1 30319 GOVERNOR 1 2 302BO SNAPRING 1 3 3El317 WE IGHT AS SE MB LY G OVERNOR 1 4 3 SHAFT 1 5 15B16 CAPSCREW M6 X 10 2 6 31183 LOCK WASHER M6 DIN 127 2 7 31810 CAPSCREIJ M6 X 14 1 8 31783 LOCK WASHER M6 DIN 127 1 30370 LEVER FORK 1 10 302118 PIN GROOVED 2 11 30320 SHAFT GOVERNOR 1 12 30371 LEVER GO VERNOR SPRING 1 13 31786 LOCK WASHER M8 0 IN 127 2 14 31802 NUT JAMM8 2 lSI 30368 SPRI NG GOVERNOR MAR INE 1 152 30369 SPRI NG 1 16 30321 LEVER GOVERNOR SPRING 1 11 30292 SEAL LEAD 1 18 30293 WIRE SEAL SPEED BOLT 1 19 30323 BOLT HIGH SPEED SETDO NOT USE ON GENSE T 1 20 15812 NUT M6 DIN 934 1 21 30372 LEVER SPEED CONTROL 1 22 30277 ORI NG 1 275 274 1 1 WESTERBEKE 44 BDC 60 BCD SEA WATER PUP 32617 273A WESTERBEKE 1318212733 SEA PUMP NUMBER 33636 REF NAME REf04ARKS QUAN 11 33636 PUMP CO LETE 1 12 34457 HOUS ING PUMP BODY 1 13 34466 KIT MAJOR REPAIR 1 2 3 4464 BEAR ING 2 3 33044 RI NG RETAINING 1 14 34462 SC RE PUMP HOUSI NG TO CAM 1 5 33037 lJA SH ER 1 6 3 If 458 CAM 1 1 33043 SEAL 1 8 34460 SHAF T 1 CJ 341140 KIT IMPELLER SCRE WGA SK T 1 10 SCREW REF 1 11 34459 GA SK ET IMPELLER COVER 1 12 34461 COVER IMPELLER 1 13 34463 SCREW IMPELLER COVER 6 273 AdobeUCSSEA WATER PUMP NUMBER 33636 272 13212133 SEA WATER PUMP NUMBER 241t3 REF Pt NAME REMARKS QUAN 11 24143 PUMP COMPLETE 1 12 24822 HOUSING PUMP BODY WITH BUSHING 1 13 30718 KIT MAJOR REPAIR 1 2 24647 SCREw PUMP HOUSING TO CAM 1 3 24824 CAM 1 If 1S1lfD SCREW BRASSIMPELLER covn 6 5 24825 COVER IMPELLER 1 6 24826 GASKET 1M PE LLER COVE R TO HOUSING 1 7 31190 RING RETAINING 2 8 33100 KIT IMPELLER AND GASKET 1 9 12915 KEY IMPELLER TO SHAFT 1 10 2 823 SHAFT 1 11 2 821 SEAL 2 12 le150 SLINGER 1 13 2 827 BUSH ING GRAPHTE 1 271 279 ESTERBEKE 1318212733 FRESH ATER PUMP REF PN NAME REMARKS QUAN 271 024258 HOUSING THERMOSTAT 212733 1 272 034416 HOUSING THERMOSTAT 82A27A33A 1 281 024323 GASKET THERMOSTAT HOUSING 212733 2 282 034196 ASKET THERMOSTAT HOUSING 82A27A33A 2 291 024846 ADAPTER THERMOSTAT 212733 1 292 033926 ADAPTER THERMOSTAT 821A27A33A 1 30 016690 NIPPLE HOSE 212733 2 31 017298 CLAMP HOSE 212733 2 32 031173 HOSE BYPASS 212733 INCHES REQUIRED 5 331 024848 BUSHIN REDUCER 3819BSPT TO 18 NPT 212733 1 332 024903 PLUG 3819BSPT 821A27A33A 1 269 REV 589 26 A 6 X 266 REF 43 44 45 4S 47 48 49 50 51 52 53 54 55 56 57 58 59 60 61 62 63 64 65 66 67 68 69 70 71 72 73 74 75 76 77 78 3710 18242 31786 31787 33636 34712 11386 30166 342a3 21878 11 RS5 34228 21878 31198 31797 31223 31506 31152 31153 1369 11471 35135 22851 19321 22850 22852 24977 24786 24104 24858 24906 24631 30475 34486 35747 30183 WESTERBEKE BT8KW COOLING SYSTEM NAME ELBOW NUT LOC WASHER Ir1ASHER PUMP NI PP LE CLAMP HOSE HOSE CLAMP ZI NC HOSE CLA1P wASHER LOCWASHER CAPSCREW CAPSCREW LOCK WASHER MSIfER PLUG PETCOCK EXCH ANGER GA SI ET ORING COVER CAPS CREW KIT STRAP TANK CAP TUBING BELT ELBOW PLUS ELBOW REMARKS HOSE M8 DIN 934 M8 DIN 127 M8 DIN 125 SEA WATER HOSE HOSE 12 PUMP TO EXCHANGER MANIFOLD TO EXCHANGER HOSE 20 EXCHANGER TO PUMP HOSE 20 M14 DIN 125 M14 DIN 127 M14 X 15 X 30 DIN 361 14N C X 114 14 FLAT 14 1RNPT BRASS HEAT END COVER EX CH ANGE R END COVER EX CH AN GE R EN 0 38NC X 12 BRASS COOLANT RECOVERY COOLANT RECOVERY MOUNTING COOLANT RECaVERY COOLANT RECOVERY TANK HOSE INCHES REQUIRED WATER INJECTED 45 HOSE QUAN 1 4 4 4 1 1 2 1 1 2 1 1 2 2 2 2 2 2 2 1 1 1 2 2 2 2 1 1 1 1 2 30 1 1 1 1 265 AdobeUCS264 REF 1 2 3 If 5 7 8 Ij 10 11 12 13 I1f 15 16 17 18 19 20 211 212 221 222 231 232 251 252 26 27 28 29 31 31 32 33 3 3S 36 37 38 39 If 0 1 21 1f22 PN 34196 33926 24688 11111 3116 31721 31786 31259 21B78 21331f 3 If 21f6 31160 31758 31159 341120 34685 24306 32230 31R61 35111 31Slf5 3181f0 32923 33067 201f39 31160 31158 33854 34017 35411 31159 31758 31555 2413 01 33952 32674424 11263 33850 11196 31786 WESTERBEKE BT8KW COOLING SYSTEM NAME GA SI ET BRACKET THER MOST AT PETC OCK HOUSING WASHER LOCI WASHER CAPS CREW HOSE GASKET NUT LOCI WASHER WASHER ADAITER GASKET STUD CAP BAFF LE NIPPLE SCREW SCREW LOCI WASHER LOCK WASHER SWITCH NOTE ELBOW NIPP LE LOCTITE NUT LOCKWASHER FLANGE GASKET NAMEPLATE SCREW WASHER LOCK WASHER CAPSCREW ELBOW MANIFOLD NIPPLE STUD FLANGE CAPSCREW LOCI WASH ER PLUG LOCTITE REMARKS THERMOSTAT HOUSING AL TERNA TOR THERMOSTAT M8 DIN 125 P18 DIN 127 M8 X 45 DIN 912 HOSE 20 TO MANIFOLD ADAPTER TO HEAD 516NF 516 FLAT 516 MANIFOLD TO HEAD MANIFOLD TO ADAPTER PR ESSURE INCLUDED IN REF 36 HOSE 832 X 14 BINDING HEADELBOW 33067 620 X 11f TAPPINGELBOW 31186 NO 8INTERNAL NO 6INTERNAL TOOTHtLBOW 311f86 EXHAUST SAFETY THERMALCOTE THERMAL JOINING COMPOUND MUST BE USED SWITCH AND ELbOW FOR PROPER THERMAL TRANSFER TO OPERATE WATER INJECTED EXHAUST 15NPT CLOSE ANTISEIZE MUST BE uSED ON THREADS 516NF 516 MANIFOLD ENDREAR MA NI FOLD END 632 X 14 OVAL HEAD SS FLAT 516 516 516NC X 1 MANIFOLD TO RECOVERY TANK HOSE EXHAUST ASSEMBLY HOSE MANIFOLD END MANIFOLD ENDFRONT M8 X 20 CIN 933 M8 DIN 127 UNUSED EXHAUST OUTL243T ANTISEIZE MUST BE JSED ON THREADS QUAN 263 2 1 1 1 1 2 2 2 2 1 1 3 3 3 1 1 3 1 1 1 2 2 2 2 1 1 1 8 8 1 2 1 2 3 3 3 1 1 1 8 1 6 6 1 AdobeUCSTFKW 262 AdobeUCSREF 48 49 50 51 52 53 54 55 56 57 58 513 60 61 62 63 64 65 66 671 672 68 69 70 71 72 73 14 75 16 11 78 79 80 81 82 83 84 85 86 87 88 89 CJl 91 92 93 94 95 96 97 PN 3 86 35147 30183 31760 31758 3385 3017 35411 31555 3115R 311513 33952 24907 11263 3 4424 18242 31787 33850 19324 11196 311B6 21878 34203 18242 31786 31187 30203 30326 35163 33298 19321 33297 33402 19369 35298 31153 31152 315116 31223 31197 118115 31553 31158 24977 24858 2410 24786 24637 24906 WE STERBE KE B C6KW COO LI NG SY STEM NA M ELBOW PLU ELBOW NUT LOCK WASHER FLANGE GASKET NAME PLATE SCREW CAPSCREIJ LOCK WASHER WASHER MANI FOLD ELBOW STUD NI Pi LE NUT WASHER FLANGE PLU LOCTITE CAPSCREW LOCK WASHER CLAMP HOSE NUT LOCK WASHER WASHER PLATE GASKET BRACKET GASKET ORING COVR CAPSCREW FLU EXCHANGER WASHER LOCK WASHER CAPS CREW CAPSCREW LOC253 WASH ER ZINC CAPSCREW LOCK WASHER KIT CAP TANK STRAP TUBING CLAMP REARKS WATER INJECTED 45 HOSE 516NF MANIFOLD ENDREAR MANIFOLD END 832 X 14 OVAL HEAD SS 516NC X 1 FLAT 516 EX HA UST ASSEMBLY MANIFOLD TO RECOVERf TANK HOSE MANIFOLD END HOSE M 8 DIN 934 M 8 DIN 125 MANIFOLD ENDFRONT ANTISEIZE MUST BE USED ON THREADS M 8 X 20 0 I N 1333 M 8 DIN 127 HOSE 2 l MANIFOLD TO M 8 DIN 934 M 8 DIN 127 M 8 DIN 125 EXCHANGER TO BLOCK EX GE REND AN GR END X 12 BRASS 18NPT HEAT FLAT 14 14NC X 114 M14 X 1 5 X 30 DIN 361 M14 DIN 127 516NC 314 516 COOLANT RECDVERY COOLANT RECOVERY TANK COOL ANT RECDV ER Y TANK MOUNTING INCHES REQUIRED HOSE QUAN 1 1 1 8 8 1 2 1 2 3 3 3 1 1 8 1 1 1 1 1 6 6 2 1 It 4 1 1 1 1 1 2 1 2 2 2 2 2 1 2 2 1 1 1 1 30 2 261 AdobeUCS9CFKW SYSTEM 260 AdobeUCSM 8 SYSTEM 25 COOLING SYSTEM NAME CLAMP HOSE NI PP LE FUMo ELBOW GASKET STUD wASHER LOCK WASHER NUT HOSE SP RI NG HOUS I NG CLAMP RETURNBEND HOSE HOSE CLAMP NAMEPLATE ELBOW SC R W CAPSCRBI CAPS CREW LOCK wASHER LOCK WASHER WASHER WASHER NIPPLE STUD FLANGE LOCK WASHER NUT PLUS LOCTITE CAPSCREW CAPS CREW CAPS CREW LOCK wASHER LOCi LOCKWASHER BELT BELT KIT CAP TANK STRAP TUBI NG CLAMP ELBOW PLUG ELBOW REMARKS QUAN HO SE 12 2 PUMP TO EXCHANGER 1 HO SE 1 SEA WA TER 1 HOSE 1 SEA WATER PUMP TO TIMING CASE 1 M8 X 22 DIN 939 4 M8 DIN 125 4 M8 DIN 121 4 M8 DIN 934 4 OFFSET 1 HOSE 20 2 FLOWCONTROL 1 FLOWCONTROL 1 HO SE 12 2 HOSEWHEN HEATER Nor INSTALLED 1 138 WIRE INSERTEDINCHES REQDW1821A 3 138 WIRE INSERTEDINCHES REQDW27A33A 8 HO SE 20 2 1 TO RECOVERY TANK HOSE 1 832 X 14 OVAL HEASS 2 516NC X lW1821A 3 516NC X 1W27A33A 4 516W1821A 3 516W27A33A 4 FLAT 516W1821A 3 FLAT 516W27A33A 4 tIOSE 1 MANIFOLD END 8 MANIFOLD ENDFRONT 1 516 8 516NF 8 UNUSED EXHAUST 1 ANTISEIZE MUST BE JSED ON THREADS M8 X 2n DIN 933W1B21A 6 M8 X 2B DIN 8 MlO X 125 X 20 DIN 961W33A 6 8 DIN 127W1821A 6 M 8 AdobeUCSN J1 1 I 73 78 44 255 t JrT l I N P255I rv J 1 I tl I n o o r z CI oi I 3 1821A 33A COOLING SYSTEM REF PN NAME REMARKS 1 11471 PETC OCK 1 2 31259 CAPSCREW 18 X 45 DIN 912 2 3 31786 LOCKliASHER 18 DIN 121 2 4 31187 WA SHER M8 0 IN 125 2 5 34416 HOUSING THERMOSTAT 1 243 341 253GASKET THERMOSTAT HOUSING 2 7 24688 THERMOSTAT 1 8 33926 BRACKET ALTERNATOR 1 9 21878 CLAMP HOSE 20 2 10 24334 HOSE TO MANIFOLD 1 11I 34216 ADAPTER TO HEADW1821A 1 112 3 1657 GASKET ADAPTER TO HEADW21A 1 113 3 1721 ADAPTER TO HEADW33A 1 121 31760 NUT 516NFW1A21A 3 122 31760 NUT 516NFW27A33A 4 131 31758 LOCKWASHER 516W182IA 3 132 31758 LOCKWASttER 516 1127 A33A 4 11 1 31159 WASHER FLAT 516W1821A 3 142 31159 WASHER FLAT 516W27A33A 4 lSI 33818 ADAPTER TO HEADWlg21A 1 152 34512 ADAP TER MANIFOLD TO HEADW2TA 1 153 34558 ADAP TER MANIFOLD TO HEADW33A 1 16I 3 ICl20 GASK T MANIFOLD TO ADAPTERW1821A 1 162 34554 GASK ET MANIFOLD TO ADAPTERW27A 1 163 34555 GASK ET MANIFOLD TO ADAPTERW33A 1 171 34685 STUD W182IA 3 172 34685 STUD W27A33A 4 18 24306 CAP PR ESSURE 1 19 BArF LE INCLUDED IN REF 20 1 tal 33952 MANIfOLD EXHAUST ASSEMBLYW1321A 1 202 34531 MANIFOLD EXHAUST ASSEMBLYW27A 1 203 34539 MANIFOLD EXHAUST ASSEMBLYW33A 1 21 34017 GASKET MA NI FOLD END 2 22 33854 FLANGE MANIFOLD ENDREAR 1 231 24111 NIPPLE 15NPT X 3ELBOW 15985 1 232 20439 tdPaLE 15NPT CLOSEELBOW 34486 1 24 15985 ELBOW WATER INJECTED EXHAUST 1 25 32230 NIPPLE HOSE 1 261 3 1404 HOSE rXCH ANGE R TO PUMP111821 A 1 262 3464 HOSE EX CH ANGER TO PUMPW27A33A 1 27 21878 CLAMP HOSE 20 2 26 11885 ZINC 1 29 11471 PETCOCK 1 39 31506 CAPSCREW 14NC X 114 2 31 31152 LOCKWASHER 14 2 32 31153 WASHER FLAT 14 2 33 34422 BRAC KET fUEL LIFT PUMP AND 1 34 34187 EXCHANGER HEAT 1 35 22851 EX CH ANGER END COVER 2 36 19321 ORI NG EXCHANGER END COVER 2 37 22850 COVER EXCHANGER END 2 38 22852 CAPS CREW 38NC X 12 BRASS 2 255 AdobeUCSfJ1 I 26 73 80 44 29 38 78 5C I P u Il IT JI r I Il I I l I oj UJ l n o a I i z too vIT AdobeUCSREF 45 46 47 48 49 50 51 52 53 54 55 56 51 58 59 60 61 621 622 63 64 65 66 67 68 69 7C1 11 72 73 74 751 752 76 77 78 7Cj 80 81 82 83 84 85 86 PN 35236 11411 33412 33297 19321 33298 21818 35176 24957 31192 11386 19059 31187 31786 31811 24735 24334 19324 31160 31758 33852 3 11263 34424 35411 31159 31158 31556 33S56 20439 33067 32230 34486 3 Cl83 35747 24917 24637 24906 24858 24104 24186 WESTERBEKE BC44KW COOLING SYSTEM NAME EXCH ANGE R PETCOCK CAPSCREW COVER DRl NG GASKET CL A1 P HOSE NUT LOCK WASHER CLAMP HOSE IIA SHER LOCKWASHER CAPSCREW SPACER ffOSE PLUG LOCTI TE NUT LOCi WASHER FLANGE SA SI ET STUD Nt SCREW NA ME PLATf WASHER LOCK WASHER CAPSCREW FLANGE NIPPLE LOCTITE ELBOW NIPP LE ELBOW ELBOW PLUG KI T CLAMP CAP TA NK STRAP REMARKS HEAT 516NC 12 BRASS EXCHANGER END EXCHANGER END HO SE 2 cr MANIFOLD TO EXCHANGER M12 X 125 DIN 934 12 DIN 127 HOSE 12 18 WIRE INSERTEDINCHES REQUIRED pi 8 DIN 125 M 8 DIN 127 M R X laS DIN 931 THERMOSTAT TO MANIFQLD ANTISEIZE MUST BE JSED ON THREADS 516NF 516 MANIFOLD ENDFRONT MANIFOLD END 832 X 14 OVAL HEAD SS 516 516 516NC X 114 MANIFOLD ENDREAR 15NPT CLOSE ANTISEIZE MUST BE JSED ON THREADS WATER INJECTED 90 DEGREE HOSE WATER INJECTED 45 DGREE HOSE COOLANT RECOVERY TANK IN CHES R EQUIR ED HOSE COOLANT RECOVERY COOLANT RECOVERY TA NK MOU NT ING GUAN 1 1 1 1 1 1 5 1 2 2 2 36 1 1 1 1 1 1 8 8 1 2 8 1 2 1 2 2 2 1 1 1 1 1 1 1 1 30 2 1 1 1 253 AdobeUCS01 f77 76 79 70 J J 11111 aL 66 rJ I 81 r1 C r1 0 rn TJ LJ n I 225 p C IIIY n Cl r i 1 C 2671 AdobeUCSM 8 X AdobeUCSI 77 76 83 81 fT1 t rn 1l fT rr n I 66 rJ N II C 79 52 1819 on DJ n c r 243 GVI Il r 13A COOLING SYSTEM REF Pt NAME REMARKS QUAN 44 30962 RETJRNBEND HOSEWHEN HEATER fOT INSTALLED 1 45 11386 CLAMP HOSE 12 2 46 34432 HOUSING FLCWCONTROL 1 47 30165 SPRI NG FL OW CONT ROL 1 48 24334 HOSE 1 49 31506 CAPS CREW 14N C X 114 2 50 31152 LOCK WASHER 14 2 51 31153 WASHER 14 2 52 34422 BRACKET FUEL LIFT PUMP AND 1 53 11885 ZINC 1 54 35007 EXC ANGER HEAT 1 55 19369 PLUS 1 56 11471 PETC OCK 1 57 33298 GAS ET EXCHANGE R END 1 58 19321 ORI NG 1 59 33297 COVER EXCHANGER END 1 60 33402 CAPSCREW 516NC X 12 BRASS 1 61 19C59 HOSE 118 WIRE I NSE RTEDIJ CH ES REQUIRED 33 62 11386 CLAMP HOSE 12 2 63 34112 HOSE 2 64 33636 PUMP SEA WATER 1 65 18242 NUT M 8 DIN 934 4 66 31786 LOCKWASHER M a DIN 127 4 67 31181 WASHER M 8 DIN 125 4 68 15830 STUD M 8 X 22 DIN 939 4 69 34486 EL BtW WA TE R INJE CTED 45 DEGREE 1 70 35147 PLUG 1 71 30183 ELBOW HOSE 1 72 24977 KIT COOLANT RECOVERY 1 73 24638 TUBI NG IN CHES REQUI RED 30 74 24906 CLAMP HOSE 2 75 24858 CAP COOLANT RECOVERY TAN K 1 76 24704 TANK COOLANT RECOVERY 1 77 24186 STRAP TANK MOUNTING 1 78 21818 CLAMP HO SE 20 7 249 AdobeUCSft 53 56 26 l62 64 72 22 24 l 11 r n r1 Tt Jj l n c J r 1 71 VI v rl I AdobeUCSM 8 X M 8 X AdobeUCS l 56 71 67 66 65 26 64 72 24 11 rf rJ 0 PI t H 1 n o r z I v T j AdobeUCSREF 1 2 3 4 51 52 6 7 8 91 92 10 11 12 131 132 WESTERBEKE 13212733 WATER INJECTED EXHAUST PN 22923 3 30058 30842 20439 24141 33U67 32230 15985 32923 31845 31861 33213 NAME NIPPLE INSU LA TOR CLAMP ELBOW NI pP LE NI LE ELBOW NI Pi LE ELBOW SWITCH NOTE LOCK WASHER SCREW TUBI NG LOCTITE REf4ARKS le5NPT X 6 EXHAUST NIPPLE INSULATOR RETAINING STREET 15NPT 45 DEGREE 15NPT CLOSEW2127 15NPT X 3W33 WATER EXHAUSTGENSET HOSE WATER INJECTED EXHAUSTMARINE EXHAUST SAFETY THERMALCOTE THERMAL JOINING COMPOUND MUST BE USED SWITCH AND ELBOW FOR PROPER THERMAL TRANSFER TO OPERATE NO 8 INTERNAL TOOTH 832 X 14 BINDING HEAD SS TEFLONPROTECT WIREINCHES REQO ANTISEIZE MUST BE USED ON THREADS FOR EXHAUST CONNECTIONS TO MANIFOLD QUAN 1 1 2 2 1 1 1 1 1 1 2 2 18 245 AdobeUCS244 INJECTED EXHAUST AdobeUCSX 1 AdobeUCS242 13212733 COOLIN SYSTEM REF pt REMARKS QUAN 41 21878 CLAMP HOSE 2 I1 21 3001 TUBE FRESH WA1ER PUMP TO MANIFOLDW13 1 2 2 24196 TUBE FRESH WATER PUMP TO 1 43 24927 REQUIRED 5 44 11298 CLAMP HOSEW212733 2 45 22851 GASK ET EXCHANGER END 2 4 19321 ORI NG EXCHANGER END COVER 2 47 22850 COVER EXCHANGER END 2 48 22852 CAPSCREW 38NC 12 BRASS 2 241 AdobeUCS2 II ioESTEREEKE COOLI N7 SYSTEM REF 1 2 3 4 5 6 1 8 9 10 1 102 11 1 122 13 14 15 16 17 18 191 192 20 21 22 23 24 2S 26 27 28 29 30 31 321 322 33 341 342 343 35 36 31 381 382 391 392 4tt1 402 PN 30326 24143 11386 30166 15830 31786 18242 24117 11405 24334 24974 2HI78 11505 33754 24174 31150 31752 315131290 31291 24305 24304 21878 24974 32229 11885 24971 19369 11471 24334 31259 31186 31787 24258 24323 24323 24846 30125 22131 30096 24688 23571 24848 16690 33236 11405 21878 24917 24305 wESTERBEKE 13212733 SYSTEM GASKET PUMP CLAMP HOSE STUD LOCK wSHER NUT BRACKET CLAMP HOSE HOSE CLAMP CLAMP CLAMP EX Cf ANGE R NUT LOCWASHER CAPSCREJ COY R GASK ET HOSE HOSE CLAMP HOSE TUB ZINC KIT PLUG PETC OCK HOSE CAPSCREIJ LOCK JASHER JASHER HOUS ING GASKET GASKET ADAP TER SWITCH BUSHING SWITCH THERMOSTAT SENDER BUSliING NIPPLE NIPPLE CLAMP HOSE HOSE REMARKS QUAN SEA WATER PUMP TO TIMING CASE 1 SEA WATER 1 HOSE 12 2 SEA WATER PUMP TO 1 SEA WATER PUMP MOUNTING 4 8 0 IN 121 4 M8 DIN 934 4 FRESH WATER TUBE 1 HOSE 16W212133 1 ELBOWMANIFOLD TO TJBEWI3 1 MANIFOLD TO TUBEW212133 INCHES REQO 6 HOSE 20 4 TO HYUSING 12 IN WIDE 2 EXCHANGER TO HOUSIN3 5B WIDE FROM IlB4 2 HEAT 1 14NC 14 14 14 14NC X 58 14 EXCHANGER END 2 EXCHANGER END 2 ELBOWW13 2 ELBOIJW212733 2 HOSE 20 6 WIRE INSERTED 138IDINCHES REQD 6 13800 X 1278LG 1 1 COOLANT RECOVERY 1 HEX HEAD IBNPT BRASS 2 1 HOJSING TO MANIFOLD 1 M8 X 45 DIN 912W212733 2 M8 DIN 121W21233 2 M8 DIN 125W212733 2 1 THERMOSTAT 1 THERMOSTAT HOUSINGJ212133 2 1 WATER ALARM I REDUCER 14NPT Tcr 18NPTMARINE 1 WATER SAFETY 1 1 WATER TEMPERATURE 1 REDUCER 3819BSPT TO 18NPTW212J33 2 HOSEW2127 2 HOSEW33 2 HOSE 16W13 1 HGSE 20W212133 1 ELBOW1J13 1 ELBOIJW212733 1 239 AdobeUCS10 STERBEKE COOL I NG SYSTEM AdobeUCS1 AdobeUCS10 11 12 14 236 UST MAJIFOlD EXHA wESTERPEK 1 I 1 1 AdobeUCS2 1 AdobeUCS11 12 2014 234 EXHAUST MANIFOLD EXTQUD243C 71 51 5253 1318212733 INTAKE MANIFOLD AND SILlNCER REF NAME QUAN 11 30931 SI LENCER TO MANIFOL1 12 31331 GASKET SILENCER TO FLANGE 1 131 31727 SILENCER AIR INTAKl6KW FROM SIN 27076 1 132 34744 SILENCER AIR INTAKEW21 FROM SIN 27903 I 133 34727 SILENCER AIR INTAKE8KW FROM SIN 27903 1 13 31144 SILENCER AIR INTAKEW1821A I 435 341190 SILENCER AIR INTAKEW27A 1 44 31561 CAPSCREW 516NF X 212 2 45 31759 WASHER FLAT 516 2 16 1 CAPS CREW M8 X 70 DIN 931 2 17 317e6 LOCIWASHER 0 IN 127 2 18 34668 GASKET ADAPTER TO f4ANIFOLD 1 19 31016 ADAP TER SILENCER TO MANIFOLI 50 31612 GASK ET SILENCER TO ADAPTER 1 51 34238 ADATER SILENCER TO MANIFOL1 521 31892 SILENCER AIR INTAKE1H3A 1 522 35010 SILENCER AIR INTAKE BC44KW 1 53 31789 WASHER M1 Q DIN 125 2 51 19262 LOCK WASHER MIO DIN 127 2 55 31228 CAPSCREW MIO X 125 X 50 DIN 961 2 233 AdobeUCSI I I I 44 I I I I I 232 SlR8KE 18 13lF212733 IfTAKE r ANIFOlC AND SIlLNCER 14 9 8 AdobeUCS1 2 3 4 51 52 fa 1 8 CJ 11l 11 12 13 1 132 14 1 142 14 3 144 145 15 16 17 18 19 201 202 211 212 22 23 24 25 26 27 28 29 30 311 312 32 33 34 351 352 36 37 3 39 0 WESTERBEKE 1318212733 INTAKE MANIFOLD AND SILENCER PN 3Uel 32169 24998 31189 30124 24920 3117731126 3 J520 30518 30521 30519 30219 32110 32111 24674 30026 30026 30019 24164 24834 30020 2 19032 3 Cl052 18811 18811 31786 311e6 39411 30295 30223 30472 24952 31821 30110 30111 30104 30118 30135 24983 31813 31781 31207 31208 31145 30167 31553 31158 31159 GA SK ET tfOSE CAPSCREW WASHER SILENCER SI LE NCER WASHER CAPSCREW GASK ET MANIfOLD GASKET MANIFOLD CONNECTOR HOSE HOSE SILENCER SI LENCER SILENCER SILENCER SI LE NCER STUD ASKET WING NUT PLUG GASKET CAPSCREW CAPS CREW LOCK WASHER LOCK WASHER MANIFOLD HOSE CONNECTOR GASK ET CAPS CREW CAPS CREW WASHER GASKET GASK ET SILENCER SILE NCER CAPSCREW CAPSCREW WASHER SILENCER SILENCER PLUG SCREEN CAPSCREW LOCK WASH ER WASHER REMARKS SILENCERW1313A BREATHERW1313A M1D X 125 X 110 960W13 M10 DIN 12 5W 13 AIR INTAKEW13 AIR INTAKE44KW 1244KW 12NF X 1244KW INTAKE MANIFOLD TO HEADW1821 AIR INTAKEW1821 INTAKE MANIFOLD TO HEADW27 AIR INTAKEW27 HOSE TO BREATHERW1R21 BREA THERW21 AIR INTAKEW21 TO SFN 27902 AIR INTAKE8KW TO SIN 27902 AIR INTAKE6KW TO 27075 AIR INTAKEW27 AIR INTAKE11KW MANIFOLD AND SILENCERW2127 SILENCER TO STUDW2127 NYLON LOCKINGW2127 NYLON 18NPT SILENCER TO MANIFOLJW2127 M8 X 40 DIN 931W21 M8 X 0 DIN 931W27 M8 DIN 127W21 DIN 127W27 AIR INTAKEW33 BREATHERW33 HOSE TO MANIFOLD TO HEADW33 M1D X 125 X 25 DIN 961W33 M10 X 125 X 70 DIN 961W33 MANIFOLD TO SASKETw33 SILENCER TO MANIFOLDW33 SILENCER AIR AIR M8 X 75 eIN 931W33 M8 X 80 DIN 931W33 FLAT M8 DIN 125 AIR AIR INCLUDED IN REF 35 INCLUDED IN REF 35 516NC J 34 516 fLAT 516 QUAN 231 1 1 2 2 1 1 1 1 1 1 1 1 1 1 1 1 1 1 1 1 2 2 2 1 1 1 2 1 2 1 1 1 If 4 1 1 2 1 1 2 2 2 1 1 1 1 2 2 2 AdobeUCS9 8 AdobeUCSREF 361 32 363 364 371 372 373 374 375 376 377 381 382 383 384 385 38 387 391 392 393 394 395 396 391 40 41 42 43 PN 34761 33348 24844 15122 30290 33280 30291 33280 30291 33280 33280 31S07 33538 31809 33538 31809 33538 33538 30313 33282 30585 33282 30586 33283 33281 3 J466 30465 31783 31810 WSTERBEKE 1318212133 LUBE OIL PUMP NAME SlITCH SWITCH ELBOW WASHER WASHER WASHER WASHER WASHER WASHER WASHER NUT NUT NUT NUT NUT NUT NUT TUBE TUBE TUBE TUBE TUBE TUBE TUBE GASKET TUBE LOCiWASHER CAPSCREW OIL PRESSUREMARINE ALARM OIL PRESSUREGENSET SAFETY 1eBSPT TO 1t8NPT STREET 18NPT 45 OIL PICKUP TUBEWI3 OIL PICKUP TUBEW18 OIL PICKUP TUBEW21 TO SIN 14642 OIL PICKUP TUBEW21 FROM SIN 14643 all PICKUP TUBEW27 TO SIN OIL PICKUP TUBEW27 FROM SIN 9947 all PICKUP TUBEW33 FROM SIN SlAB JAMMI2 X 125W13 JAMMIl X 15WI8 JAMMIlt X 15W21 Tl SIN 14642 X 15W21 FROM SIN 14643 JAMM14 X 15W27 T3 SIN 9946 JAMM16 X 15W27 FROM SIN 9947 JAMMI6 X 15W33 SIN 5188 OIL PICKLPW13 OIL PICKUPWI8 OIL PICKLPW21 TO SIN 14643 OIL PICKUPW21 FROM SIN 14644 OIL PICKUPV27 TO SIN 9946 OIL PICKUPW27 FROM SIN 9947 OIL PICKUPW33 FROM SIN 5188 OIL PICKUP TUBEW33 TO SIN 51A7 OIL PICKLPW33 TO srN 5187 M6 DIN 127W33 TO SPN 51R7 X 14 DIN 933W33 TO SIN 5187 QUAN 1 1 1 1 1 1 1 1 1 1 1 1 1 1 1 1 1 1 1 1 1 1 1 1 1 1 1 2 2 229 AdobeUCS36 39 E S TE RBEK E 33 LUBE OIL 3 1 j14 12 13 18212133 LUBE OIL REF PN NAME REMA RKS QUAN 1 30458 GASI ET OIL PUMP TO BLOCKW18212733 1 2 30711 PLUG 1 31 3 0581 PUMP OILW182127REF 216 EXCEPT 911 1 32 305B2 BODY PUMPWI82121 1 33 30457 PUMP 216 EXCEPT 911 1 34 305B3 BODY 1 30224 DOWEL BODY TO COVERWI8212733 2 5 30464 ORI NG BODY TO COVERW18212133 1 61 30459 ROTOR ASSE MB L Y WI 82127 1 62 30460 ROTOR ASSEMBLYW33 1 7 30112 PLUG 141118212733 1 8 30463 COVER OIL PUMPWI8212733 1 g 31787 WASHER FLAT MS DIN 1251118212733 4 10 31186 LOCK WASHER Me DIN 1271118212133 4 Ill 3 CAPSCREW M8 X 65 DIN Q31W182127 If 112 1 CAPS CREW M8 X 70 DIN 4 121 30220 F IL TER LUBE OILW182127 1 122 30233 FILTER LUBE OILW33 1 13 30244 PLUN GER RELIEF VALVEW18212733 1 14 30584 SPRIG RELIEF VALVEW18212733 1 15 30462 GASKET RELIEF VALVEW18212733 1 16 30461 PLUG RELIEF VALVEW18212733 1 17 30328 GASKET OIL PUMP TO BLOCKWI3 1 18 BODY OIL PUMPW13 1 19 30332 ORI NG BODY TO COVERWI3 1 20 30329 ROTOR ASSEMBLYWI3 1 21 30330 COVER OIL PUMPWI3 1 22 30288 PLUG 181113 1 23 30214 NIPP LE OIL FILTERWI3 1 21 30220 FILTER OILWI3 1 251 21t91t9 CAPS CREW MB X 50 DIN 9311113 3 252 31186 LOCK WASHER M8 DIN 1271113 3 26 3 G285 PLUG OIL RELIEF VALVEW13 1 27 36284 GASKET OIL RELIEF VALVEW13 1 28 30331 SPRI NG OIL RELIEF VALVEW13 1 21 30281 BALL 516 STEELW13 1 30 30391 TUBE 1 311 30374 DIPSTICK 1113 1 312 30587 DIPSTICK 11182127 1 313 30467 DIPSTICK 1133 1 321 24132 SENDER OIL PRESSURE 1 322 24844 ADAP TER TO IJ8NPT 1 323 15122 ELBOW STREET 18NPT 45 DEREEWI3 1 324 11914 ELBOW STREET 18NPT qO 1 325 3511t5 TEE STREET 18NPTW13A 1 33 30283 GASKET BA NOWI3 2 34 30282 BOLT BANJOWl3 1 35 30375 LINE OILBLOCK TO HEADWI3 1 221 LUPE OIL PUMP 22 AdobeUCS8 X WfSTERF3I 31 224 CAIMSHAFT 4 CKER SHAFT 0 RO AdobeUCS1 1 6 X 222 WESTERBEKE 1318212733 CRANKSHAFT AND PISTONS REF PN 13 030352 14 030276 15 030303 16 030302 17 030358 18 030353 19 030216 20 032174 211 030535 212 030537 213 030415 22 030275 23 030416 24 030217 251 032181 252 032182 261 032175 262 032178 271 032176 272 032177 281 032172 282 032173 291 031163 292 031164 293 031165 30 031789 31 019262 321 031822 322 024953 331 033930 332 034720 34 031819 35 036520 NAME CRANKSHAFT KEY PLATE GEAR SLEEVE PULLEY WASHER NUT CRANKSHAFT CRANKSHAFT CRANKSHAFT KEY GEAR BEARING PULLEY PULLEY WASHER WASHER LOCK WASHER LOCK WASHER NUT NUT PULLEY PULLEY PULLEY WASHER LOCKWASHER CAPS CREW CAPSCREW PULLEY PULLEY CAPS CREW BUSHING REMARKS W13 W13 CRANKSHAFT W13 CRANKSHAFT W13 W13 CRANKSHAFT W13 M24 W13 CRANKSHAFT PULLEY W13 W1821 W27 W33 W18212733 CRANKSHAFT W18212733 CRANKSHAFT W33 CRANKSHAFT W1821 CRANKSHAFT W2733 FLAT M18 W182127 FLAT M20 W33 M18 W182127 M20 W33 M18 W182127 M20 W33 ACCESSORY CRANKSHAFT 5IN ACCESSORY CRANKSHAFT 6IN ACCESSORY CRANKSHAFT 7IN M10 DIN 125 Ml0 DIN 127 M10 X 125 X 75 DIN 961 PULLEY 31163 M10 X 125 X 35 DIN 961 PULLEY 311645 DRIVE ALTERNATORPUMP W1821A27A DRIVE ALTERNATORPUMP W33A M10x1 25x60 DIN 961 PULLEY 3393034720 CONNECTING ROD W33 2218 REV 589 QUAN 1 2 1 1 1 1 1 1 1 1 1 1 1 1 1 1 1 1 1 1 1 1 1 1 1 3 3 3 3 1 1 3 4 WESTERBEKE 1318212733 CRANKSHAFT AND PISTONS 14 24 25 221A REV 589 WESTERBEKE 1318212733 CRANKSHAFT AND PISTONS REF PN NAME REMARKS QUAN 229 033795 PISTON ITH PIN STD 8 3 230 033796 PISTON WITH PIN 025 W18 3 231 033797 PISTON WITH PIN 050 8 3 232 033798 PISTON WITH PIN 075 W18 3 31 030530 ROD CONNECTING W13 2 32 030530 ROD CONNECTING W1821 3 33 030530 ROD CONNECTING W27 4 41 030351 BOLT CONNECTING ROO W13 4 42 030351 BOLT CONNECTING ROD 82 6 43 030351 BOLT CONNECTING ROD W27 8 51 037673 BEARING CONNECTING ROO SET STO W13 2 52 037680 BEARING CONNECTING ROD SET 025 W13 2 53 037681 BEARING CONNECTING ROD SET 050 W13 2 54 037682 BEARING CONNECTING ROD SET 075 W13 2 55 037673 BEARING CONNECTING ROD SET STO W1821 3 56 037680 BEARING CONNECTING ROD SET 025 W1821 3 57 037681 BEARING CONNECTING ROD SET 050 82 3 58 037682 BEARING CONNECTING ROD SET 075 821 3 59 037673 BEARING CONNECTING ROD SET STD 27 4 510 037680 BEARING CONNECTING ROD SET 025 W27 4 511 037681 BEARING CONNECTING ROD SET 050 27 4 512 037682 BEARING CONNECTING ROD SET 075 27 4 61 030231 NUT CONNECTING ROD BOLT 3 4 62 030231 NUT CONNECTING ROD BOLT 821 6 63 030231 NUT CONNECTING ROD BOLT W27 8 71 030421 RING SET STO W33 TO SN 8230 4 72 030422 RING SET 025 33 TO SN 8230 4 73 030423 RING SET 050 33 TO SN 8230 4 74 030424 RING SET 075 W33 TO SN 8230 4 75 037282 RING SET STO W33 FR SN 8231 4 76 037283 RING SET 025 W33 FR SN 8231 4 77 037284 RING SET 050 W33 FR SN 8231 4 78 037285 RING SET 075 W33 FR SN 8231 4 81 030414 PISTON WITH PIN STD W33 TO SN 8230 4 82 030429 PISTON WITH PIN 025 W33 TO SN 8230 4 83 030430 PISTON WITH PIN 050 W33 TO SN 8230 4 84 030431 PISTON WITH PIN 075 W33 TO SN 8230 4 85 037290 PISTON WITH PIN STO W33 FR SN 8231 4 86 037291 PISTON WITH PIN 025 W33 FR SN 8231 4 87 037292 PISTON WITH PIN 050 W33 FR SN 8231 4 88 037293 PISTON WITH PIN 075 W33 FR SN 8231 4 9 030205 CIRCLIP PISTON PIN RETAINING W33 8 10 030304 ROD CONNECTING W33 4 111 030305 BEARING CONNECTING ROD SET STD W33 4 112 030306 BEARING CONNECTING ROD SET 025 W33 4 113 030307 BEARING CONNECTING ROD SET 050 W33 4 114 030308 BEARING CONNECTING ROD SET 075 W33 4 12 030384 BOLT CONNECTING ROD W33 8 221 REV 589 tlD PISTONS NKSHAT A 1318212733 CRANKSHAFT AND PISTONS REF PN NAME REMARKS QUAN 11 030529 RING SET STD 1113 2 12 030522 RING SET 025 1113 2 13 030523 RING SET 050 1113 2 14 030524 RING SET 075 1113 2 15 030417 RING SET STD 1121 TO SIN 49606 3 16 030418 RING SET 025 1121 TO SIN 49606 3 17 030419 RING SET 050 1121 TO SIN 49606 3 18 030420 RING SET 075 1121 TO SIN 49606 3 19 037271 RING SET STD 1121 FR SIN 49607 3 110 037272 RING SET 025 1121 FR SIN 49607 3 111 037273 RING SET 050 1121 FR SIN 49607 3 112 037274 RING SET 075 1121 FR SIN 49607 3 113 030417 RING SET STD 1127 TO SIN 21804 4 114 030418 RING SET 025 1127 TO SIN 21804 4 115 030419 RING SET 050 1127 TO SIN 21804 4 116 030420 RING SET 075 1127 TO SIN 21804 4 117 037271 RING SET STD 1127 FR SIN 21805 4 118 037272 RING SET 025 1127 FR SIN 21805 4 119 037273 RING SET 050 1127 FR SIN 21805 4 120 037274 RING SET 075 1127 FR SIN 21805 4 121 033787 RING SET STD 1118 3 122 033788 RING SET 025 1118 3 123 033789 RING SET 050 1118 3 124 033790 RING SET 075 1118 3 21 030525 PISTON WITH PIN STD 1113 2 22 030526 PISTON WITH PIN 025 1113 2 23 030527 PISTON WITH PIN 050 1113 2 24 030528 PISTON WITH PIN 075 1113 2 25 030425 PISTON WITH PIN STD 1121 TO SIN 49606 3 26 030426 PISTON WITH PIN 025 1121 TO SIN 49606 3 27 030427 PISTON WITH PIN 050 1121 TO SIN 49606 3 28 030428 PISTON WITH PIN 075 1121 TO SIN 49606 3 29 037275 PISTON WITH PIN STD 1121 SIN 4960762494 3 210 037276 PISTON WITH PIN 025 1121 SIN 4960662494 3 211 037277 PISTON WITH PIN 050 1121 SIN 4960762494 3 212 037278 PISTON WITH PIN 075 1121 SIN 4960762494 3 213 037683 PISTON WITH PIN STD 1121 FR SIN 62495 3 214 037684 PISTON WITH PIN 025 1121 FR SIN 62495 3 215 037685 PISTON WITH PIN 050 1121 FR SIN 62495 3 216 037686 PISTON WITH PIN 075 1121 FR SIN 62495 3 217 030425 PISTON WITH PIN STD 1127 TO SIN 21804 4 218 030426 PISTON WITH PIN 025 1127 TO SIN 21804 4 219 030427 PISTON WITH PIN 050 1127 TO SIN 21804 4 220 030428 PISTON WITH PIN 075 1127 TO SIN 21804 4 221 037275 PISTON WITH PIN STD 1127 SIN 2150523328 4 222 037276 PISTON WITH PIN 025 1127 SIN 2180523328 4 223 037277 PISTON WITH PIN 050 1127 SIN 2180523328 4 224 037278 PISTON WITH PIN 075 1127 SIN 2180523328 4 225 037683 PISTON WITH PIN STD 1127 FR SIN 23329 4 226 037684 PISTON WITH PIN 025 1127 FR SIN 23329 4 227 037685 PISTON WITH PIN 050 1127 FR SIN 23329 4 228 037686 PISTON WITH PIN 075 1127 FR SIN 23329 4 219 REV 589 34 31 2111 1318212733 AND PISTONS 18212733 TIMING COVER AND SUMP REF PN REMARKS QUAN 281 31173 HOSE SUMP DRAINW21272hA 1 282 3 ttOS SUMP DRAINW3333A 1 283 3 HOSE SUMP DRAINW2733 VDRIVE 1 2831084 HOSE SUMP DRAINW1821A 1 285 34746 HOSE SUMP DRAINBT8KW 1 291 24782 BOLT BANJOSUp1P DRAIN 1 29 2 LOCTITE PS T MUST BE USED 30 24913 TABWASHER 1 31 24973 ASHER BANJO 1 32 24922 BRACKET SUMP ORA IN HOSE 1 331 30737 SPACER BRACKETW212133 1 332 33565 SPACER ALTERNAtOR 1 34 24905 CAP SUMP DRAIN HOSE 1 351 22211 CAPS CREW M8 X 90 nIN 931W212733 1 352 31817 CAPS CREW M8 X 165 DIN 1 361 31172 KIT SUMP DRAIN HOSEREF 2835W2127 1 362 KIT SUMP DRAIN HOSEREF 2835W33 1 363 33517 KIT SUMP DRAIN HOSEREF 2835W2733 VDRIVE 1 37 33278 PLUG THRUSTTIMING COVERW33 FROM SIN 1 217 8 I V 1132 216 1821oJ o SUMP TIMING AN 14 15 EKE 11212733 TIMING COVER AND SUMP REF PN NAME WAN 1 30209 SEAL OIL 1 21 24948 CAPS CREW M8 X 45 DIP 9311182127 8 22 24948 CAPSCREW M8 X 45 DIN 93110133 10 31 11196CAPSCREW MB X 20 DIN 93311182127 2 32 16189 CAPSCREW M8 X 1 DIN 933W33 2 33 3178 LOCK WASHER M8 DIN 127 2 4 30713 PLUG 12 1 5 30411 BEARING NEEDLE 1 6 3 0410 BEARING NEEDLE 1 71 30494 COVER Tl MI NGW 1 72 30409 COVER TIMINGW33 1 81 30495 GA SK ET TIMING CCVERW182127 1 82 30408 GASKET TIMING COVERW33 1 91 365e9 GASKET BEARING 1 92 30470 GASKET BEAR ING HOUSINGW33 1 la1 30588 HOUSING BEARINGW182127 1 102 3 0469 HOUSING BEARING1oI33 1 Ill 15830 STUD Me X 25 DIN 939101182121 1 112 15828 STUD M8 X 22 DIN 93910133 2 121 18811 CAPS CREW M8 X 40 DIN 931101182127 1 122 31186 LOCKWASHER M8 DIN 127101182127 1 123 13630 CA PSCREW M8 x 25 DIN 933133 2 124 31186 LO CK WASHER M8 DIN 127133 2 13 18242 NUT Me DIN 934 If 14 31786 LOCKIiiASHER M8 DIN 1 21 If 15 317P1 WASHER M8 DIN 125 It 16 30326 GASKET WATER PUMP TO 1 171 31282 STUD M8 45 eIN 939101182127 3 172 31281 STUD M8 X 40 DIN 939W33 2 18 15828 STUD M8 X 22 DIN 9391133 19 30326 GASKET 10133 1 20 30325 COVER 10133 1 21 31787 WASHER M8 DIN 12710133 4 22 31786 LOCK WASHER M8 DIN 12710133 4 23 18242 NUT M8 DIN 93410133 It 241 30500 SUMP OlLW21BOTTOM TO SIN 27902 1 242 34673 SUMP OILW21SIDE DRAIN ROM SIN 27Q03 1 21 3 30500 SUMP OIL6KWBOTTOM DRAIN TO SIN 21075 1 244 34673 SUMP OIL6KWSIDE DRAIN ROM SN 27076lJ18 1 245 30497 267SUMP OILlJ27 1 246 30412 SUMOILW33 1 251 30498 SA SKET OIL SUMPW1821 1 252 38499 GASKET OIL SUMPW27 1 253 30413 GASKET OIL SUMPW33 1 261 31786 LOCKWASHER M8 DIN 15 262 31786 LOCK WASHER 8 DIN 127W27 17 263 31186 LOCKWASHER M8 DIN 12710133 18 211 16789 CAPSCREW M8 X 16 eIN 933VI821 15 272 16789 CAPS CREW M8 X 16 DIN 93310127 17 273 16189 CAPSCREW M8 X 16 DIN 93310133 18 215 8 7 214 TIMING COVER AND 14 15 AdobeUCS13 TIMING COVER SUMP REF Pr NAME REMARKS QUAfl 1 30346 GASKET TI MI NG CASE TO BLOCK 1 2 30224 DOlE L 2 3 30341 CASE TI Ml NG 1 4 31816 CAPSCREI M8 X 100 DIN 931 1 5 311326 GA SK ET TIMING CASE TO SEA WA TER PUMP 1 6 18242 NUT M8 DIN 934 7 31786 LOCK WASHER DIN 121 1 8 311fn WASHER M8 0 IN 125 4 9 15828 STUD M8 22 DIN 939 4 10 31814 CAPSCREW M8 X 85 OItoi 931 2 11 30201 SEAL OIL 1 12 31462 CAPS CREI M8 X 35 DIN 931 4 13 31193 WASHER M12 DIN 125 2 14 31192 LOCK WASHER M12 DIN 127 2 15 24957 NUT M12 X 125 2 16 24905 CAP SUMP ORA IN HOSE 1 17 24922 BRACKET SUMP ORA IN HOSE 1 181 30846 fIOSE SUMP DRAIN 1 182 34746 HOSE SUMP DRAIN BC44KW 1 191 247B2 BOLT BANJO 1 192 LOCTITE PST MUST BE USED 20 24913 TABWASHER 1 21 24973 WASHER BANJO 1 221 16189 CAPSCREW M8 X 16 DIN 933 12 222 31186 LOCK WASHER 8 DIN 127 12 23 30349 SUMP OIL 1 24 30350 GASK ET SUMP TO BLOCK 1 25 30743 KI T SUMP DRAIN HOSEREF 1621 1 213 AdobeUCSWFSTro DJKf 13 212 COVER tFJO SUMP TIPItvG WES TERBEKE 18212133 CYLHDER HEAD REF PN A ME REMARKS QUAN 20 31R12 CAPS CREW M8 X 65 01 N 931W33 q 21 31816 CAPSCREIJ M8 100 DIN 931W33 1 22 31866 SCREW 832 X 78 2 23 31844 LOCK WASHER 8 2 24 2 BREAKER CI RC UI T20 AMP 1 25 31842 NUT 832 2 26 31150 NUT 14NC 2 24639 SOLENOI D PREHEAT 1 28 31752 LOCWASHER 14 2 29 31501 CAPSCRElJ 14NC X 12 2 30 1 2533262 LOCo WASHER MI0 DIN 127 1 311 24951 CAPS CREW MID 125 X 20 DIN 961 1 312 24958 CAPS CREW M12 X 125 X 20 DIN 961W33 1 32 24849 BRACKET CI RCUI T BREAKER SJLENOIDW2127 1 331 13630 CAPS CREW MA X 25 DIN 933 COV R 34676 1 332 34672 CAPSCREW M8 X 11 eIN 933 COVER 34676 1 34 34f16 SP AC ER SOLENOID BRACKET 1 35 30289 SEAL OILROCKER COVER CASCREW 2 36 34652 EYE 1 37 31786 LOCI WASHER M8 DIN 127 1 38 16789 CAPS CREW M8 X 16 DIN 933 1 391 34418 BRACKET CIRCUIT BREAKER 1 392 30131 EYE LI FTINGGENSET 1 40267 LOCKWASHER M8 DIN 127 1 41 20650 CAPS CREW M8 X 18 DIN 933 1 42 18804 CAPSCRElJ M6 X 20 DIN 933 2 43 31783 LOCKWASHER M6 DIrl 127 2 44 15812 NUT M6 DIN 934 2 211 CYLINDEP HEAC 32 22 19 210 AdobeUCSREF 1 2 3 41 42 51 52 53 54 61 62 71 72 73 81 82 83 91 92 101 102 103 111 112 113 121 122 123 131 132 14 151 152 153 154 155 156 157 158 159 161 162 17 181 182 191 192 193 194 PN 018242 030517 030780 030237 030229 030513 034676 030514 030406 030219 030223 030515 030516 030407 030506 030506 030404 024373 024373 030512 030512 030215 030243 030243 030197 030383 030383 030271 030717 033657 030711 033794 037286 030504 037287 030505 037288 030403 037289 030131 030131 019262 024952 024958 033786 030509 030507 030405 WESTERBEKE 18212733 CYLINDER HEAD NAfilE NUT ASHER SEAL CAP CAP COVER COVER COVER COVER CONNECTOR CONNECTOR ASKET ASKET ASKET GUIDE GUIDE GUIDE PLU PLUG BOLT BOLT BOLT ASHER ASHER WASHER BOLT BOLT BOLT PLUG PLUG PLUG HEAD HEAD HEAD HEAD HEAD HEAD HEAD HEAD NOTE EYE EYE LOCKASHER CAPSCREW CAPSCREW GASKET GASKET GASKET GASKET REMARKS QUAN M 8 DIN 934 W2127 e W2127 2 OILROCKER COVER STUD 2127 2 OIL FILL TOP 82127 1 OIL FILL W33 1 ROCKER INCL REF 6 W1821 TOP OIL FILL 1 ROCKER INCL REF 6 W1821 SIDE OIL FILL 1 ROCKER INCL REF 6 W27 1 ROCKER INCL REF 6 W33 1 BREATHER HOSE TO COVER W182127 1 BREATHER HOSE TO COVER W33 1 ROCKER COVER W1821 1 ROCKER COVER W27 1 ROCKER COVER W33 1 VALVE W1821 6 VALVE W27 8 VALVE W33 8 EXPANSION25 W182133 3 EXPANSION25 W27 4 CYLINDER HEADLONG 82 8 CYLINDER HEADLONG W27 10 CYLINDER HEADLONG W33 14 HEAD BOLT W1821 8 HEAD BOLT W27 10 HEAD BOLT W33 14 CYLINDER HEADSHORT W1821 3 CYLINDER HEADSHORT W27 4 CYLINDER HEADSHORT W33 2 EXPANSION45 W182127 1 EXPANSION40 W33 1 18 1 CYLINDER INCL REF 8913 W18 TO SN 31605 1 CYLINDER INCL REF 8913 W18 FR SN 31606 1 CYLINDERNLA USE 37287 37280 CAMSHAFT 1 CYLINDER INCL REF 8913 W21 FR SN 49607 1 CYLINDER INCL REF 8913 W27 TO SN 21804 1 CYLINDER INCL REF 8913 W27 FR SN 21805 1 CYLINDER INCL REF 8913 W33 TO SN 8038 1 CYLINDER INCL REF 8913 W33 FR SN 8039 1 CAN USE NEW HEAD ON OLD WNEW CAMSHAFT LIFTIN W2127 1 LIFTING W33 2 M10 DIN 127 1 M10 X 125 X 20 DIN 961 1 M12 X 125 X 20 DIN 961 W33 1 CYLINDER HEAD 8 1 CYLINDER HEAD 21 1 CYLINDER HEAD W27 1 CYLINDER HEAD W33 1 209 REV 589 L I A 0 REF 1 2 3 4 5 6 7 8 9 10 11 12 13 14 15 16 30298 30194 30219 31811 3 30342 30341 30345 3 0243 30340 24313 24953 3 0339 31786 31225 31171 WESTERBEKE 13 CYLINDER NAME CAP GASK ET TUBE CAPS CREW COVER GASKET HEAD BOLT WASHER GUIDE PLUG CAPS CREW GASKET lOCKkiASHER CAPS CREW rYE REMARKS OIL FILLER WITH GASKET OIL FILLER CAP Me x 55 DIN 931 ROCKER ROCKER COVER CYLINDER WITH PLUG VALVE GUIDES CYLINDER HEAD CYLINDER HEAD BOLT VALVE EXPANSION25 M10 X 125 X 35 DIN 961 HEAD M8 DIN 121 X 60 DIN 931 LIFTING 9UAN 1 1 1 4 1 1 1 6 6 4 1 2 1 2 2 1 207 PJDER CYL HEAO 4 5 6 7 13 206 18212733 CYLINDER BLOCK REF PN NAME REMARKS QUAN 29 11471 PETCOCK 1 30 24752 BUSHING 14BSPT TO 18NPT 1 311 35392 BLOCK ASSEMBLYW21 1 312 34938 BLOCK ASSEMBL Y 8KW 1 313 30512 BLOCK BAREW21TO SIN 27902 1 314 34675 BLOCK BAREW21SIDE OIL FLL FROM SIN 27903 1 315 35390 BLOCK ASSEMBLY 1118 1 316 34934 BLOCK ASSEMBLY6KW 1 317 33193 BLOCK TO SIN 270T5 1 318 34674 BLOCK BARE6KW SIDE aIL FLL FROM SIN 27076 1 319 34977 BLOCK ASSEMBLY 1127 1 3110 35398 BLOCK ASSEMBLY11KW 1 3111 30581 BLOCK BARE 1127 1 3112 34979 BLOCK ASSEMBL Y 1133 1 3113 35401 BLOCK ASSE MBL Y125 KW 1 3114 30388 BLOCK BAREW33 1 32 33126 CAP OIL FILLER WITH ORING 1 33 33123 IRING 01 L FILLER CAP 1 34 34670 ELBOW OIL FILLER TO BLOCK 1 35 34f69 NUT OIL FILL ER ELBOW 1 36 34667 WASHER OIL FILLER ELBOW 1 205 AdobeUCSR B AdobeUCS1 2 AdobeUCS202 WE 182121 CYLINn 267R BLOCK AdobeUCSREF 11 12 13 2 3 41 42 43 4 5 6 7 P 9 10 111 112 12 13 14 15 16 171 172 173 17 18 19 20 21 22 23 24 25 261 262 27 34931 35386 30335 33657 3 30354 30355 30356 3 IJ 357 30300 3026 30212 30204 24752 11471 24844 15122 30711 32 C16 3 0318 302Q6 30301 30354 30355 30356 30357 30344 11196 3 l7 06 31280 30239 24844 35145 24132 34761 33348 30111 WESTERBEKE 13 CYLINDER BLOCK NAME BLOCK BLOCK BLOCK PLUG DOWEL BEAR ING BE AR ING REAR ING BEARING SEAL PLUG nOWEL CONNECTOR RUSHING PETCOCK ADAP TER ELBOw PLUG STUD SHAFT PLUG BEARING BEARING BEARING 8EARING BEAR ING HOUSING CAPS CREW DOWEL STUD PLUG AD AP TER TEE SENDER SW IT CH SWITCH PLUG FOR GENSET ASSE MBl Y PROP UlS I ON BARE EPANSION40 TUBULAR 10X9 CR ANKSHA FTSTD CR AN KSHA FTO 25 CRANKSHAFTO50 CRANKSHAFT015 OIL EX PAN S ION 4 0 OIL LINE 14BSPT TO 18NPT BLOCK DRAIN TO 18NPTW13 STREET 18NPT 45 DE3REEW13 18BSPT SOCKET HEAD Me x 75 nIN 939 GOVERNOR GEAR 1BSPT SOCKET HEAD WITH HOLE CRANKSHAFT THRUST CR AN KSHA FTSTD CRANKSHAFTO5 CRANKSHAFT050 CR AN KSHA FTO 15 WITH STD REARING X 21 DIN q33 TUBULAR RX M12 X 125 X 60 7T 116 18BSPT TO 18NPTW13A 18NPT STREETW13A OIL PRESSURE OIL ALARM OIL PRESSUREGENSET SAFETY 18BSPT SOCKET HEADW13A QUAN 201 1 1 1 2 1 1 1 1 1 1 1 1 1 I 1 2 2 I 2 1 1 2 1 1 1 1 1 2 2 1 1 1 1 1 2 AdobeUCS E RBfKr t 13 CYLINDER BLOCK 200 AdobeUCSTABLE OF CONTENTS 200 WESTERBEKE 13 CYLINDER BLOCK 202 WESTERBEKE 18212733 CYLINDER BLOCK 206 WESTERBEKE 13 CYLINDER HEAD 208 WESTERBEKE 18212733 CYLINDER HEAD 212 WESTERBEKE 13 TIMING COVER AND SUMP 214 WESTERBEKE 18212733 TIMING COVER AND SUMP 218 WESTERBEKE 1318212733 CRANKSHAFT AND PISTONS 222 WESTERBEKE 1318212733 CAMSHAFT AND ROCKER SHAFT 226 WESTERBEKE 1318212733 LUBE OIL PUMP 230 WESTERBEKE 1318212733 INTAKE MANIFOLD AND SILENCER 234 WESTERBEKE EXTRUDED EXHAUST MANIFOLD 2 PASS238 WESTERBEKE 13212733 COOLING SYSTEM 242 WESTERBEKE 13212733 FLOWCONTROLLER 244 WESTERBEKE 13212733 WATER INJECTED EXHAUST 246 WESTERBEKE 13A COOLING SYSTEM 250 WESTERBEKE BC44KW GENERATOR COOLING SYSTEM 254 WESTERBEKE 1821A27A33A COOLING SYSTEM 258 WESTERBEKE BC6KW GENERATOR COOLING SYSTEM 262 WESTERBEKE BT8KW GENERATOR COOLING SYSTEM 266 WESTERBEKE 1318212733 FRESH WATER PUMP 270 WESTERBEKE 13212733 SEA WATER PUMP NUMBER 24143 272 WESTERBEKE 1318212733 SEA WATER PUMP NUMBER 33636 274 WESTERBEKE 13 GOVERNOR 276 WESTERBEKE 18212733 GOVERNOR 278 WESTERBEKE 1318212733 IDLE STOP ASSEMBLY 280 WESTERBEKE 44677811125KW FUEL SOLENOID 282 WESTERBEKE 13 FUEL SYSTEM 286 WESTERBEKE 212733 FUEL SYSTEM 290 WESTERBEKE 13A BC44KW FUEL SYSTEM 294 WESTERBEKE 1821A27A33A FUEL SYSTEM 298 WESTERBEKE BC6KW BT8KW FUEL SYSTEM 302 WESTERBEKE 1318212733 FUEL INJECTOR 304 WESTERBEKE 13212733 BACK END MARINE MOUNTING SYSTEM 308 WESTERBEKE 13A1821A27A33A BACK END MOUNTING SYSTEM 312 WESTERBEKE 13212733 TRANSMISSION COUPLING 314 WESTERBEKE SHIFT CONNECTION ON HBW TRANSMISSIONS 316 WESTERBEKE 13212733 ELECTRICAL SYSTEM 318 WESTERBEKE 13A1821A27A33A ELECTRICAL SYSTEM 320 WESTERBEKE 4477811125KW ELECTRICAL SYSTEM 322 WESTERBEKE BC44KW BC6KW BT8KW ELECTRICAL SYSTEM 326 WESTERBEKE MARINE INSTRUMENT PANEL 328 WESTERBEKE GENERATOR CONTROL PANEL 330 WESTERBEKE BC44KW BC6KW GENERATOR CONTROL PANEL 332 WESTERBEKE BT8KW GENERATOR CONTROL PANEL 334 WESTERBEKE 1318212733 ALTERNATOR 336 WESTERBEKE 13212733 STARTER MOTOR 338 WESTERBEKE BC44KW BC6KW GENERATOR BACK END MOUNT 342 WESTERBEKE BC44KW BC6KW GENERATOR AC OUTPUT 344 WESTERBEKE BT8KW GENERATOR BACK END MOUNTING SYSTEM 348 WESTERBEKE BT8KW GENERATOR AC OUTPUT 350 WESTERBEKE 447711125KW GENERATOR MOUNTING SYSTEM 352 WESTERBEKE 44677811125KW GENERATOR 2 OR 4 WIRE 60HZ 358 WESTERBEKE 447711125KW GENERATOR 3 WIRE 60HZ 362 WESTERBEKE GENERATOR BELT GUARD 364 WESTERBEKE 1318212733 MISCELLANEOUS WESTERBEKE 33 WMD 125KW GENERATOR WESTERBEKE 27A WESTERBEKE 33A WESTERBEKE 27 WMD l1KW GENERATOR WESTERBEKE 21A BTD8KW GENERATOR WESTERBEKE 21 WMD 778KW GENERATOR WESTERBEKE 13A BCD44KW GENERATOR WESTERBEKE 13 WMD 44KW GENERATOR THIS PARTS LIST COVERS A FAMILY OF FIVE ENGINE BLOCKS USED FOR PROPULSION AND GENERATOR APPLICATIONS THE ORIGINAL VERSION OF EACH INCORPORATED A TWO PASS WATER COOLED EXHAUST MANIFOLD AND A COMMON FLYWHEEL HOUSING FOR BOTH PROPULSION AND GENERATOR THE SECOND OR A VERSION HAS A SINGLE PASS WATER COOLED EXHAUST MANIFOLD GENERATORS ARE BRUSHLESS AND THE OVER255ALL SIZE HAS BEEN MADE MORE COMPACT ON BOTH THE PROPULSION AND GENERATOR UNITS REFERENCES IN THE BOOK FOR ENGINE COMPONENTS MAY INDICATE THE PROPULSION MODEL BUT ARE ACTUALLY APPLICABLE TO BOTH PROPULSION AND GENERATOR UNITS IE PISTONS FILTERS GASKETS PUMPS BEARINGS ETCIMPORTANT PRODUCT SOFTWARE NOTICE Product software of all kinds such as brochures drawings technical data operators and workshop manuals parts lists and parts price lists and other information instructions and specifications provided from sources other than Westerbeke is not wi thin Westerbeke s control and accor255dingly is provided to Westerbeke customers only as a cour255tesy and service WESTERBEKE CANNOT BE RESPONSIBLE FOR THE CONTENT OF SUCH SOFTWARE MAKES NO WARRANTIES OR WITH RESPECT THERETO INCLUDING THE ACCURACY TIMELINESS OR COMPLETENESS THEREOF AND WILL IN NO EVENT BE FOR ANY TYPE OF DAMAGES OR INJURY INCURRED IN CONNECTION WITH OR ARISING OUT OF THE FURNISHING OR USE OF SUCH SOFTWARE For example components and subassemblies incorporated in Westerbekes products and supplied by others such as engine blocks fuel systems and components transmissions electri255cal components pumps and other productsare generally sup255ported by their manufacturers wi th their own software and Westerbeke must depend on such software for the design of Westerbekes own product software Such software may be out255dated and no longer accurate Routine changes made by Westerbekes suppliers of which Westerbeke rarely has notice in advance are frequently not reflected in the suppliers software until after such changes take place Westerbeke customers should also keep in mind the time span between printings of Westerbeke product software and the unavoidable existence of earlier noncurrent Westerbeke software editions in the field Additionally most Westerbeke products include special features that frequently do not include complete In sum product software provided wi th Westerbeke products whether from Westerbeke or other suppliers must not and can255not be relied upon exclusively as the definitive authority on the respedtive product It not only makes good sense but is imperative that appropriate of Westerbeke or the supplier in question be consulted to determine the accuracy and currency of the product software being consulted by the customer AdobeUCSPARTS LIST WESTERBEKE 13 225 18 225 21 225 27 225 33 Marine Diesel Engines 44 225 6 225 77 225 8 225 11 225 125 KW Marine Diesel Generators Publication 32139 Edition Four July 1986 jr WESTERBEKE 225 MYLES STANDISH INDUSTRIAL PARK 150 JOHN HANCOCK ROAD TAUNTON MA 027807319 AdobeUCSPARTS LIST WESTERBEKE 13 225 18 225 21 225 27 225 33 Marine Diesel Engines 44 225 6 225 77 225 8 225 11 225 125 KW Marine Diesel Generators Publication 32139 Edition Four July 1986 jrvWESTERBEKE 225 MYLES STANDISH INDUSTRIAL PARK 150 JOHN HANCOCK ROAD TAUNTON MA 027807319 AdobeUCS


NOTICE: Some pages have affiliate links to Amazon. As an Amazon Associate, I earn from qualifying purchases. Please read website Cookie, Privacy, and Disclamers by clicking HERE. To contact me click HERE. For my YouTube page click HERE