L-36.com

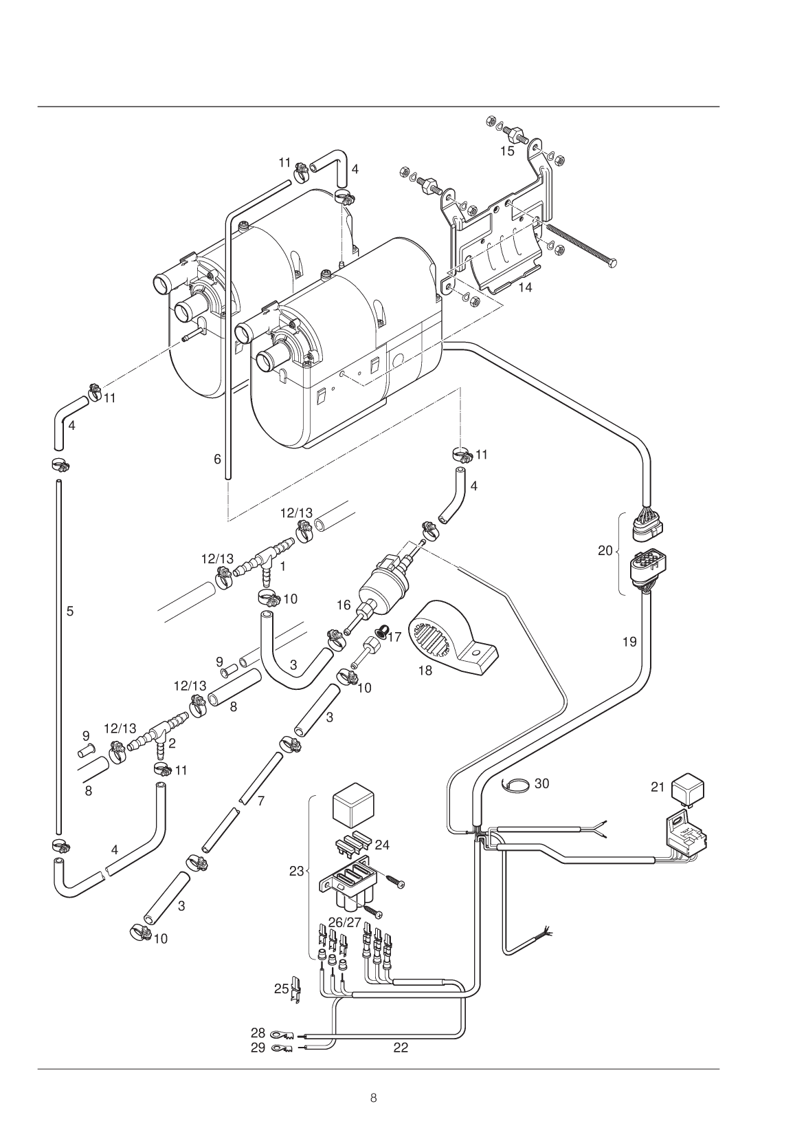
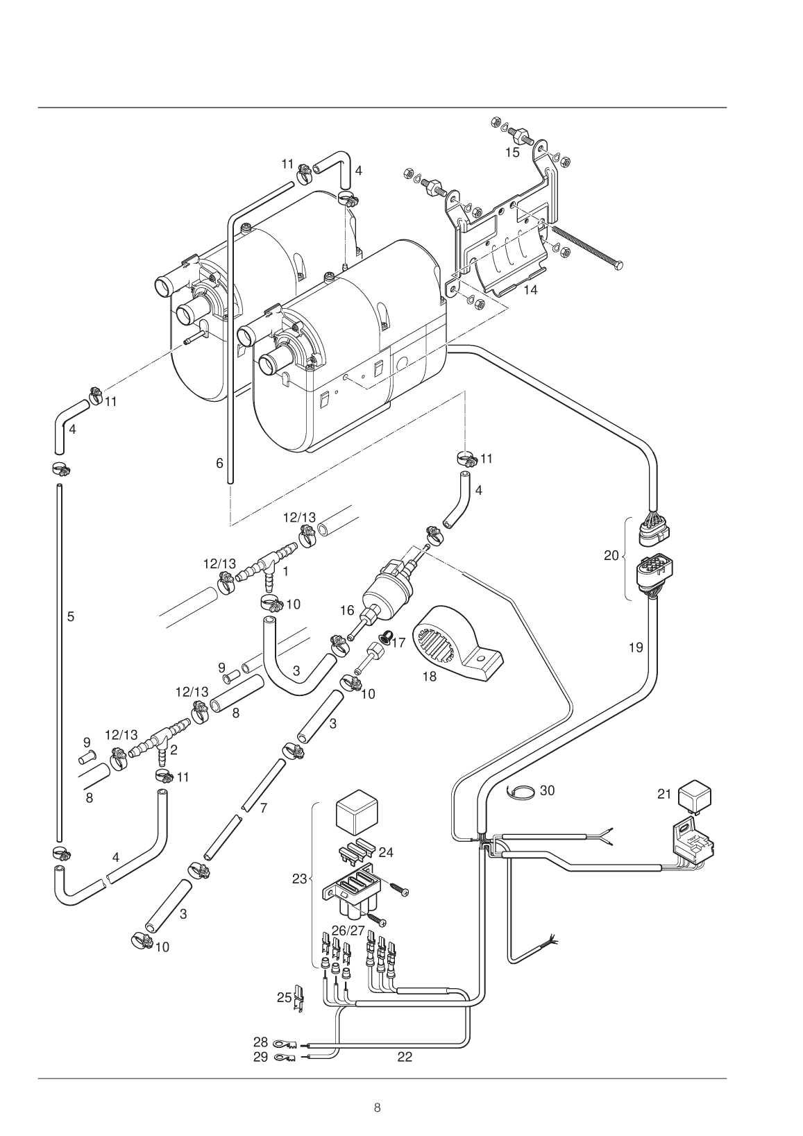
Hydronic 4 5 parts 2219 2325


Hydronic 4 5 parts 2219 2325

Previous Page    Next Page
Go to page number



NOTICE: Some pages have affiliate links to Amazon. As an Amazon Associate, I earn from qualifying purchases. Please read website Cookie, Privacy, and Disclamers by clicking HERE. To contact me click HERE. For my YouTube page click HERE